Share on (1600508990782):
If you need 3D model of the motor, please give us your email address and we will email you it.
General Specification
Winding type | Star |
Hall effect angle | 120° |
Insulation class | B |
Ambient temperature range | -20°C~ +50°C |
Insulation resistance | 100MΩMin 500VDC |
Dielectric Strength | 500VAC 1 minute |
Number of poles/phase | 8/3 |
Specification:
Model | Voltage (VDC) | Rated Parameters | Peak Torque (N.m) | Torque Constant (N.m/A) | Back EMF (V/k RPM) | Rotor Inertia (kg.mm2) | Length (L:mm) | Weight (kg) | |||
Speed (rpm) | Torque (N.m) | Current (A) | Power (W) | ||||||||
J60BLS99-430A | 48 | 3000 | 0.65 | 6.5 | 200 | 1.95 | 0.065 | 4.5 | 48 | 99 | 1.25 |
J60BLS120-430A | 3000 | 0.95 | 8.8 | 300 | 2.85 | 0.126 | 9.3 | 72 | 120 | 1.65 | |
J60BLS140-430A | 3000 | 1.25 | 11.5 | 400 | 3.81 | 0.127 | 9.2 | 96 | 140 | 2.05 | |
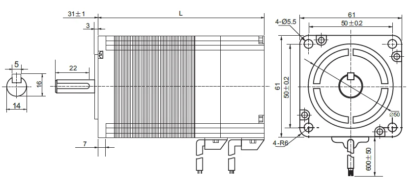
Dimension Unit:mm

Wiring Diagram

New products from manufacturers at wholesale prices