Share on (1600510925133):
item | value |
Warranty | 3months-1year |
Place of Origin | China |
Zhejiang | |
Bergerda | |
57BG80 | |
Type | traction motor |
2.2Nm | |
Construction | Permanent Magnet |
Commutation | Brushless |
Protect Feature | Drip-proof |
1000r/min | |
Current | |
Efficiency | 93.6% |
Product name | stepper motor |
Application | CNC |
Speed | 1000r/min |
Voltage | 18-50V |
Encoder | 1000 saving-line |
Usage | Automation |
Model | 57BG80 |
Control type | SVPWM control |
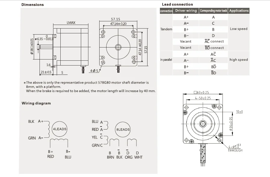
Shaft | 8mm |
Weight | 1.1kg |





New products from manufacturers at wholesale prices