Share on (1600524718961):
If you need 3D model of the motor, please give us your email address and we will email you it.
General specifications
Step Angle (°) | 1.8° |
Step Angle Accuracy | 5% |
Temperature Rise | MAX 80°C |
Use Environment | Temperature: -20~+50°C; Humidity: 85% MAX |
Insulation Class | B |
Insulation Resistance | MIN 100 MΩ, 500VDC |
Withstand Voltage | 500V AC, 1minute |
Shaft Radial Deviation | 0.02mm MAX (load 5N) |
Shaft Axial Deviation | 0.08mm MAX (load 10N) |
Radial Maximum Load | 75N(At 10mm from the flange) |
Axial Maximum Load | Motor weight |
Specifications
Model | Length L(mm) | Holding Torque (N.m) | Current (A/Phase) | Resistance (Ω) | Inductance (mH) | Rotor Inertia (g.cm2) | Shaft Diameter (mm) | Weight (kg) | Matched driver | |
Single shaft | Dual shaft | |||||||||
110HS99A45516 |
| 99 | 11 | 5.5 | 0.72 | 9.8 | 5500 | 16 | 5.0 | JB2811M JB2522M JB2722M |
110HS99A45519 | 110HS99B45519 | 19 | ||||||||
110HS115A46016 |
| 115 | 12 | 6.0 | 0.44 | 4.9 | 7200 | 16 | 6.0 | |
110HS115A46019 | 110HS115B46019 | 19 | ||||||||
110HS150A46516 |
| 150 | 21 | 6.5 | 0.8 | 9.4 | 10900 | 16 | 8.4 | |
110HS150A46519 | 110HS150B46519 | 19 | ||||||||
110HS201A48016 |
| 201 | 28 | 8.0 | 0.6 | 11 | 16200 | 16 | 11.7 | |
110HS201A48019 | 110HS201B48019 | 19 | ||||||||
Only the representation of the products, we can design according to clients’ requirement
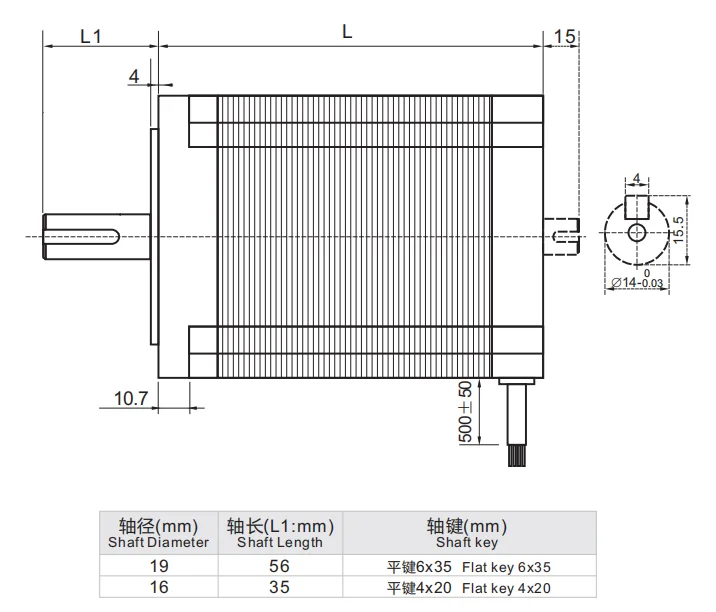
Dimension unit:mm


Frequency-torque characteristics

Wiring Diagram

Note:
When installing the motor, be sure to fix the position by using the front end cover of motor, and pay attention to the tolerance, strictly guarantee the concentricity of the motor shaft and the load.
New products from manufacturers at wholesale prices