Share on (1600525859243):


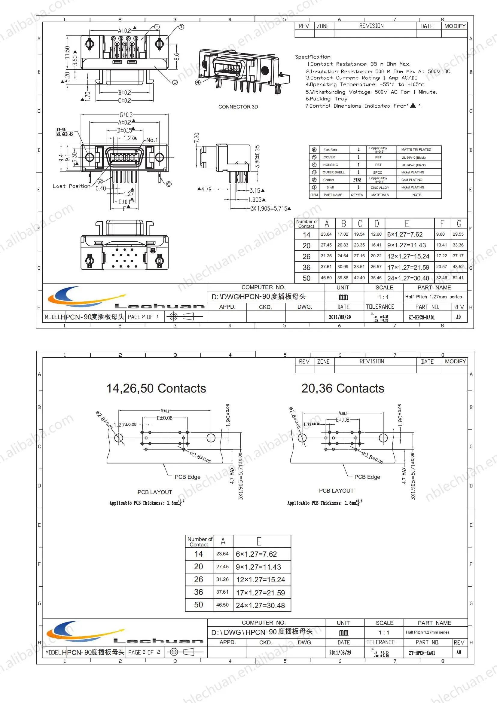
Material | Housing : PBT,UL94V-0,Black |
Contact Plating:Phosphor Bronze,T=0.3, Gold+ Tin over Nickel | |
Supporting Part:Zinc Alloy,Nickle plating | |
Housing:SPCC, Nickle plating | |
fastener:Copper Alloy,Tin plating | |
Electrical Characteristic | Mark: Logo and Part Number |
Contact Resistance :30MΩmax ,at DC 100mA | |
Insulator Resistance: 500MΩmin ,at 500V DC | |
Withstanding Voltage: 500V AC/rm 50Hz for 1 minute | |
Current Rating: 1 Amp AC/DC | |
Environment | Operating Temperature:-40℃~+105℃ |
Soldering temperature:265℃max for 6sec.max |






New products from manufacturers at wholesale prices