Share on (1600532127279):




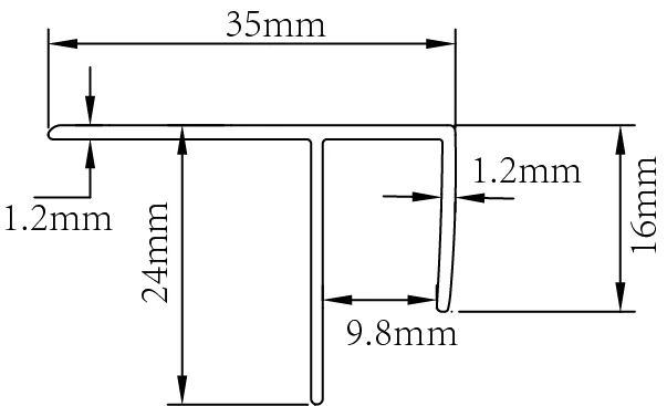
Item No.: YT10 | ||
Size: | 2700*35*24mm | |
N.W/Piece: | 418.5g | |
Packing: | 50pcs/carton,2.7m/piece | |
Carton Size: | 2710*201*88mm | |
G.W/Carton: | 22kgs | |
Surface Treatment: | Printing with UV coating | |












New products from manufacturers at wholesale prices