Share on (1600536407603):




1.High-strength aluminium alloy housing, light weight,Alloy steel gear transmission, stable and durable; |
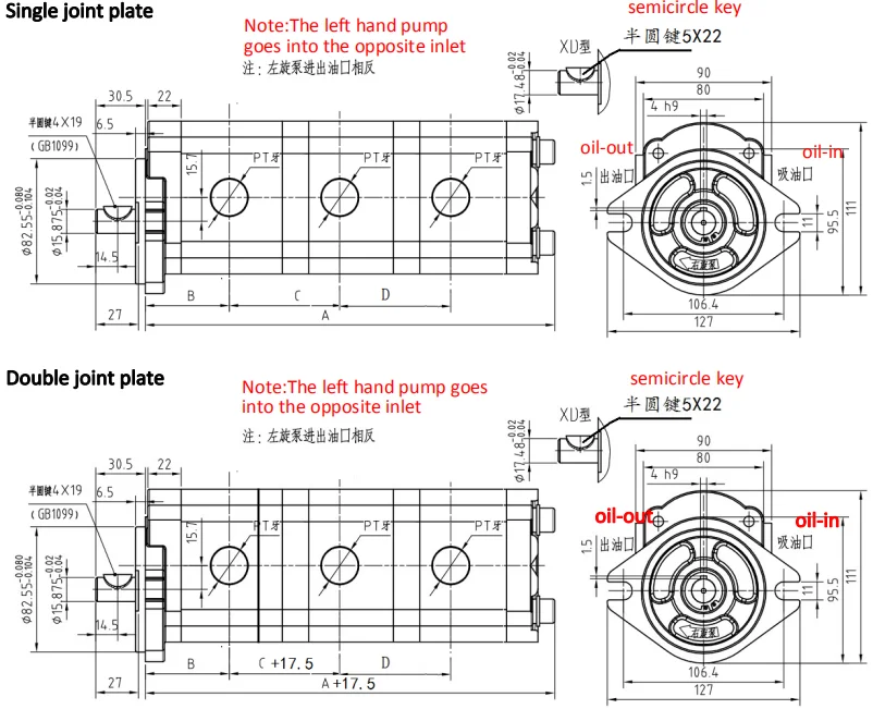
2.Oil inlet and outlet connection: Screw thread; |
3.Input axis connection: Flat key shaft; |
4.Auto-compensation unit of axial and radial clearance,High volume efficiency and mechanical efficiency; |
5.SP series gear design, small fluctuation, high pressure, low noise; |
6.DU composite material bearings and high-performance sealing elements, small starting torque, good sealing performance, can work efficiently under severe working conditions; |
7. The front and rear gear pumps work independently of each other, and any combination can be ordered according to the manufacturer. |

















New products from manufacturers at wholesale prices