Share on (1600536971769):

Dynamic Properties | ||
Rang(peak) | ±80g | |
Sensitivity(25℃) | 100mV/g (160HZ) | |
Amplitude Non-linearity | ±1% | |
Frequency Response | 1~4,000Hz(±10%) | |
0.7~8,000Hz(±3dB) | ||
Transverse Sensitivity Ratio | ≤5% | |
Electrical Properties | ||
Driving Voltage | 18VDC~28VDC(current source) | |
Constant Current Source Excitation(mA) | 2~10mA(typical 4mA) | |
Output Impedance | <100 Ω | |
Full range output(peak) | ±8V | |
Background Noise(rms) | <200μV | |
Bias Voltage | +10~+14V | |
Install Ground Insulation | ≥10^8Ω | |
Ground Conditions | The enclosure is insulated from the signal | |
Environment Properties | ||
Operation Temp | -40℃~+120℃ | |
Shock Resistance(peak) | 1000 g | |
Temperature Response | Attached Temperature Curve | |
Physical Properties | ||
Structural Style | Cutting | |
Shell Material | Stainless Steel | |
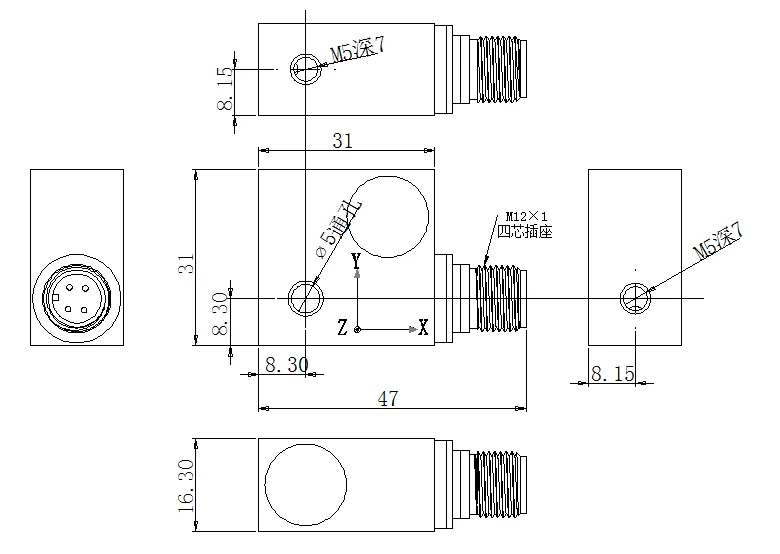
Output Mode | M12*1 Four core cable | |
Installation | M5 customized | |
Protection Class | IP65 | |
Weight | ~95g | |
Accessory | ||
Erection Bolt | M5 customized | |
Connecting Cable | Four core shielded cable x 3m | |




New products from manufacturers at wholesale prices