Share on (1600541779285):
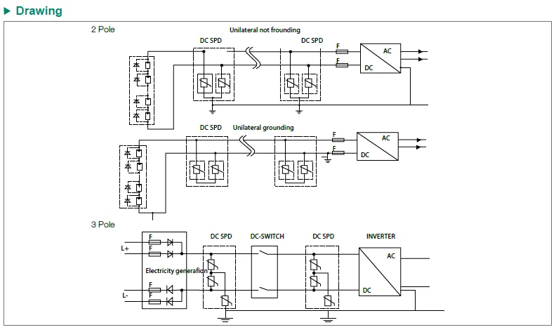
XSPD surge protective device, protect against lightning surge voltages in solar system (photovoltaic power supply system).These units must be installed in parallel on the DC networks to be protected and provide common and different modes protection. Its installed location are recommended at both ends of the DC power supply line (solar panel side and inverter/converter side), especially if the line routing is external and long.High energy MOVs equipped with specific thermal disconnectors and related failure indicators.
DC SPD Specification:
Item | DC surge protector |
Model Number | XLSPD-PV |
Pole | 3P |
Classified test | Ⅱ |
Un (V DC) | 1200 |
Uc (V DC) | 1000 |
In(8/20)us (kA) | 20 |
Imax(8/20)us (kA) | 40 |
Up (kV) | 3.8 |
Hard wiring capacity(mm²) | 4~25 |
Flexible wiring capacity(mm²) | 4~16 |
Stripping length(mm) | 10 |
Terminal screwa | MS |
Protection class | IP40 |
Installation environment | No obvious shock and vibration |
Altitude (m) | ≤ 2000 |
Working Temperature | -3.0~+70 |
Relative humidity | 30%~90% |
How to Install | Installed with H35-7.5/DIN35 steel mounting rail |










1-7 days after confirming order,detail delivery date should be decided according to production season and order quantity.
1. Shipment port:SHANGHAI/NINGBO
2. By Air or by Sea for batch goods,Airport/ Port receiving;
3. Customers specifying freight forwarders or negotiable shipping methods!

Q: If I'm interested in your DC SPD when I can receive your quotation and detail information after send the enquiry?
A:All your enquiry will be replied in 24hours.
Q:Can I get a sample before the order because I really don't how is your DC SPD quality?
A:Of course!We also think sample order is the best way to build the trust.And in our company we offer sample service!Please send the enquiry to us and get the sample!
Q:How's the delivery?Because I really need them is urgently?
A:For sample order 3~7days will be no problem.And for regular order we promise in 10 days.
Q:How's the warranty period for your DC SPD?
A:We offer two year warranty for our customer.
New products from manufacturers at wholesale prices