Share on (1600542146428):
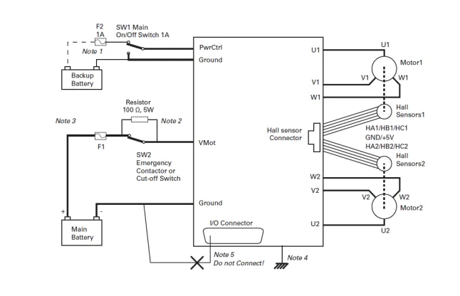
RoboteQ’s FBL2360 is a features-packed, high-current, dual or single channel controller for brushless DC motors. The controller can operate in one of several modes in order to sense the rotor position and sequence power on the motor’s 3 windings in order to generate smooth continuous rotation. The controller also uses the Hall sensor and/or Encoder information to compute speed and measure travelled distance inside a 32-bit counter. The motors may be operated in open or closed loop speed mode, position mode or in torque mode.
The FBL2360 features several Analog, Pulse and Digital I/ Os which can be remapped as command or feedback inputs,
limit switches, or many other functions. The FBL2360 accepts commands received from an RC radio, Analog Joystick, wireless modem, or microcomputer. For mobile robot applications, the controller’s two motor channels can either be operated independently or mixed to move and steer a vehicle. Using CAN bus, up to 127 controllers can be networked at up to 1Mbit/s on a single twisted pair.
Model Name | FBL2360T |
Motor Type | Brushless DC |
Max Voltage | 60V |
Number of Channels | 2 |
Direction | Forward/Reverse |
Max Amps per Channel | 60A |
Continuous Amps per Channel | 40A |
Power Connections | Fast On |
Analog | Yes |
RS232 | Yes |
RS485 | Yes |
USB | Yes |
CANbus | Yes |
RC Pulse | Yes |
MicroBasic Scripting | Yes |
Max Analog Inputs | 8 |
Max Digital Inputs | 10 |
Max Digital Outputs | 4 |
Max Pulse Inputs | 6 |
Encoder | Yes |
Cooling | Conduction plate |
Dimensions | 140mm x 140mm x 25mm |
Weight | 452g |
* Industrial Automation
* Tracking, Pan & Tilt systems
* Small to mid-size Terrestrial and Underwater Robotic Vehicles
* Automatic Guided Vehicles
* Automated machines
* Telepresence Systems
* Animatronics

Products packaged in EPE foam, then in carton boxes, then in wooden pallet or as per customers' request.
A): We recommend DHL Express for samples and small quantities. It is very fast, safe and relatively cheap.
B) We arrange shipment by sea and by air and go with FOB/CIF/CFR terms for large quantities.
C)Door to door service available, products could be loaded & delivered directly from our factory to any corner of the world with very competitive rates either by air, by train or by sea.

Founded in 2005 and locates in Shanghai, Plutools Automation Corporation Limited is a leading technology company dedicated to design, manufacture, market, and support reliable and affordable motion control products and driving systems based on the latest control technologies. Plutools offers a full complement of products including AC/DC Motors, Step/Servo Motors, Motor Drive System, Horizontal/Vertical Motors In Wheel, Differential Drive Steering System, Inverters and Braking Units.
Plutools has one of the strongest R & D teams in the automation industry. That team consists of 15 R & D engineers and all of them are highly educated with most of them carrying PhD & Master degrees in controls, electrical & electronics engineering, mechanical engineering, mechatronics etc. Their strong background and experience allow Plutools capable of designing superior quality products based the latest technology in the most efficient way.
Plutools operates manufacturing facilities which are superiorly equipped, professionally staffed, and ISO-9001 certified. That allows Plutools to provide highly reliable quality products to OEM clients in the shortest time.
Plutools believes the key to be a successful motion product suppliers is the commitment to fully understanding our customer's applications and working closely with our OEM clients. In many cases, Plutools' engineers can participate in the whole process of client product development, including initial application evaluation.





.• Certified actual products - We have a zero-tolerance policy for asset recovery vendors.
• Lowest package prices -Always offer lower price than other companies.
• Professional technical engineer team- possible fastest response and support to client' application demand.
• Quality guarantee – Free, one-years warranty and life-long maintenance. Any quality problem, Plutools promise to refund.
• Fast, professional and reliable International delivery – flexible and low cost delivery solution for clients.
• Free payment mode by T/T, L/C, western union and Paypal can be available.

Amanda Shen
Shanghai Plutools Automation Co.,Ltd
Tel/WhatsApp/WeChat: +86 15851353967
//www.plutools.com/
New products from manufacturers at wholesale prices