Share on (1600549204001):
Greetech Omron D2MV G5T16 0.1-22A 25T125 5e4 SPDT SPST Snap Action Micro Switch
Feature:
-Tight Configuration,Small Contact Gap , Snap Action
-Long Life, High Reliability
-Global Safety Approvals
-Variety of Terminals
-Wide Range Operating Force
-Wide Range Temperature Grade
-With Optional PTI Grade
-Variety Used in Home Applicances, Electronic Equipments, Automatic Machines,
Communication Equipments.
-Variety of Levers
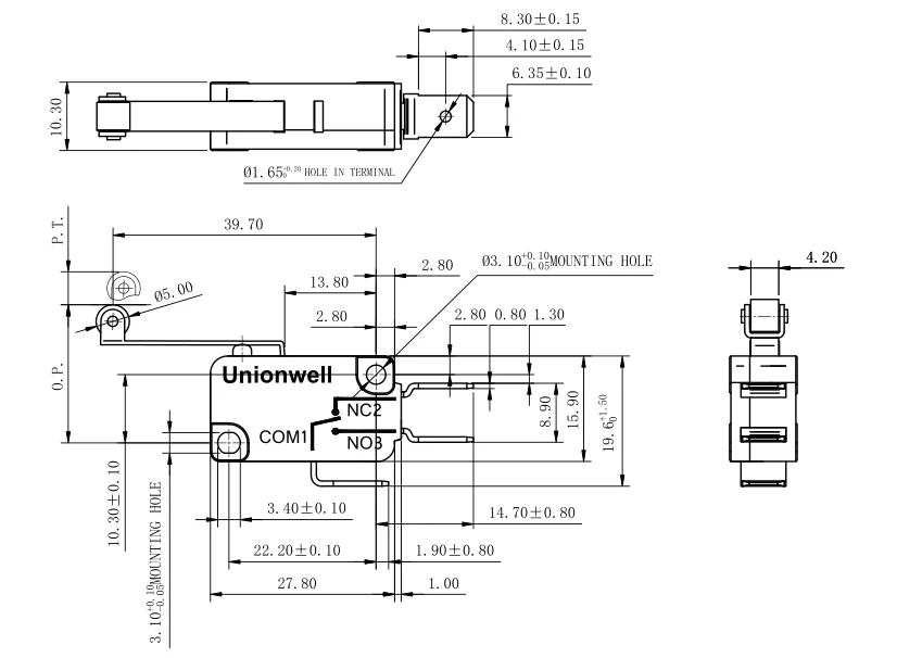
Drawing:



Operating Characteristics
| Operating Speed | 0.1mm-1m/s( Related With Actuator Forms) | |
| Operating Frequency | Mechanical 60 cycles/min; Electrical 15 cycles/min. | |
| Insulation Resistance | 100MΩ (500VDC) Min | |
| Contact Resistance | 100mΩ (Initial value) Max | |
| Test Voltage | Between Each Terminals Of The Same Polarity | AC1000V,50/60HZ, 1min. |
| Between Current-Carrying Metal Part And Ground.And Between Each Terminal And Non-current-carrying metal parts | AC1500V, 50/60HZ, 1min. | |
| Vibration Resistance | 10-55HZ,1.5mm Double Amplitude | |
| Shock Resistance | Destruction: OF>1N:1000m/s2 (approx.100G)max. OF≤1N:400m/s2 (approx.40G)max. | |
| Malfunction: OF>1N:200m/s2 (approx.20G)max. OF≤1N:100m/s2 (approx.10G)max. | ||
| Service Life | Mechanical: Over 10,000,000 cycles or 1,000,000 cycles | |
| Electrical: Over 50,000 cycles or 100,000 cycles | ||
| Weight | Approx 6.2g(No Lever) | |
Application








Business partners


New products from manufacturers at wholesale prices