Share on (1600549656795):

Product name | H400 Series 220V To 380V Vector AC Drives/VFD | ||||||
Power range | 1.5KW~90KW | ||||||
Output Frequency Range | Vector control: 0 ~500Hz V/F control: 0 ~2000Hz | ||||||
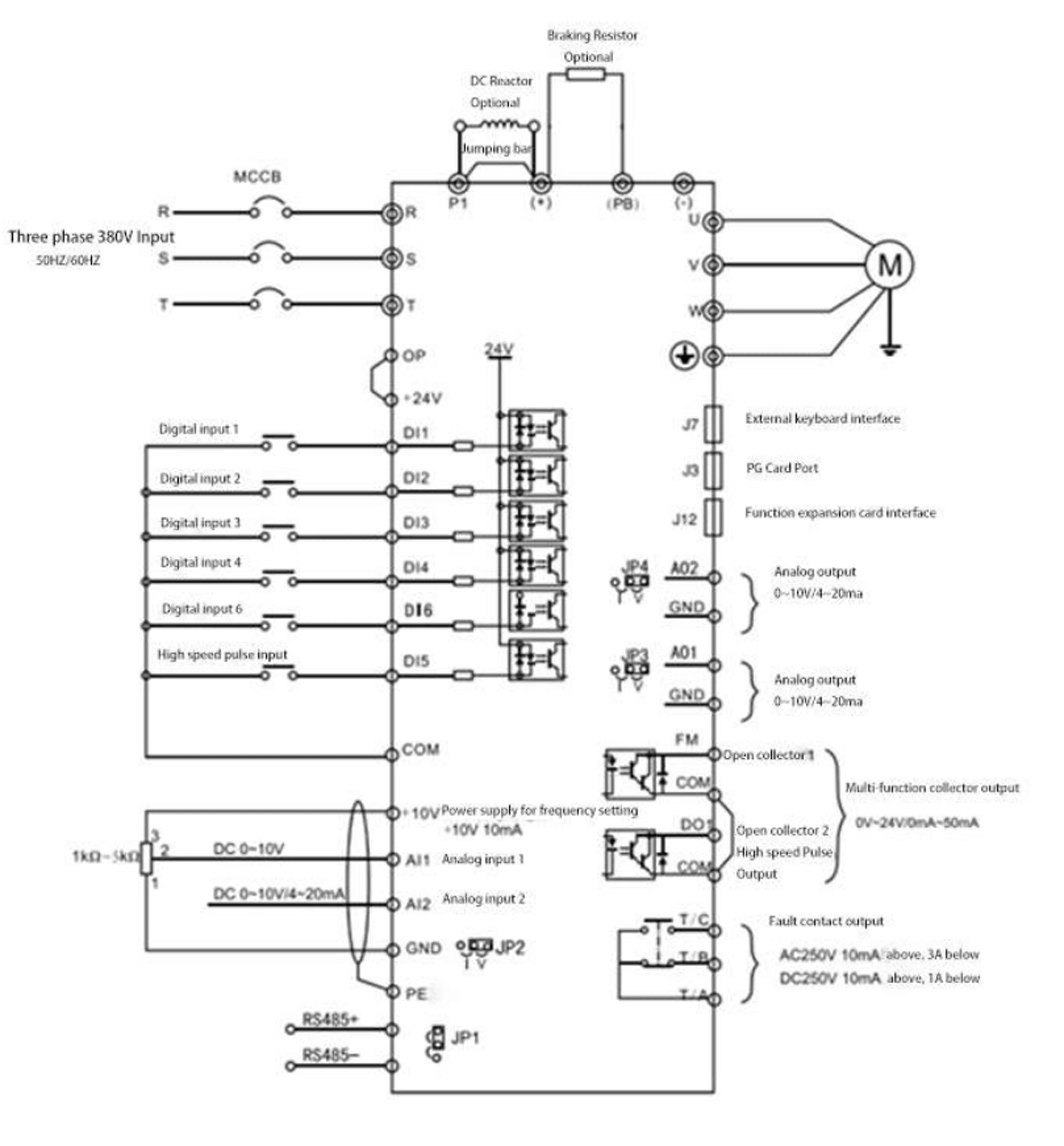
Control Mode | Open loop vector control (SVC) Closed loop vector control (FVC) V/F control | ||||||
Starting Torque | Model G: 0.25 Hz/150% (SVC); 0Hz/180% (FVC) Model P: 0.5Hz/100% | ||||||
Communication port | Support RS-485, Profibus-DP, CANlink, CANopen and other mainstream fieldbus communication | ||||||
Application | Cement coagulation mixer and etc. | ||||||

Model No. | Motor Power (KW) | Rated Current (A) | Outline Dimensions (H*W*D) (mm) |
H400-0R7G/1R5P-S4 | 0.75 | 2.1/3.8 | 186*125*164 |
H400-1R5G/2R2P-S4 | 1.5 | 3.8/5.1 | |
H400-2R2G/4R0P-S4 | 2.2 | 5.1/9 | |
H400-4R0G/5R5P-S4 | 3.7 | 9/13 | |
H400-5R5G/7R5P-S4 | 5.5 | 13/17 | 248*160*183 |
H400-7R5G/11RP-S4 | 7.5 | 17/25 | |
H400-11RG/15RP-S4 | 11 | 25/32 | |
H400-15RG/18RP-S4 | 15 | 32/37 | 322*208*192 |
H400-18RG/22RP-S4 | 18 | 37/45 | |
H400-22RG/30RP-S4 | 22 | 45/60 | |
H400-30RG/37RP-S4 | 30 | 60/75 | 463*285*228 |
H400-37RG/45RP-S4 | 37 | 75/91 |
Product name | H400 Series 220V to 380V Vector AC Drives/VFD |
Place of Origin | Shanghai, China |
Brand Name | FMZ |
Model Number | H400-11RG/15RP-S4 |
Type | Frequency inverters |
Control mode | Open loop vector control (SVC) Closed loop vector control (FVC) V/F control |
Input voltage | 220V |
Rated power | 11KW |
Output Type | 3 phase output |
Output Current | 25/32A |
Output Frequency | 50Hz/60Hz |
Size | 322*208*192MM |
Weight | 6.1KG |
Warranty | 18 months |





Single Product Size | 322*208*192MM | ||||||
Single Package Dimension | 377*296*256MM | ||||||
Single Gross Weight | 6.1KG | ||||||



New products from manufacturers at wholesale prices