Share on (1600564333717):
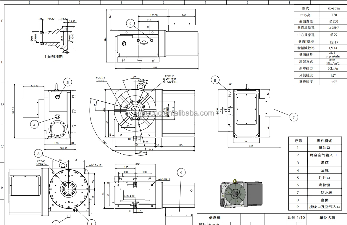
Model | MD-255A |
Disc diameter | 250mm |
Spindle center through holder | 50 |
Level place center height | 285mm |
Vertical place center height | 160mm |
T-slot width | 12h7 |
Guide key width | 18h7 |
Locking force | 5kg/cm2(Pneumatic)25(hydraulic) |
Equal division mini angle | 0.001 degree |
Gear ratio | 1:144 |
Division accuracy(cumulative value) | 15" |
Reproducibility accuracy | ±2" |
Weight | 120kg |
Packing size | 65x55x50cm |
















New products from manufacturers at wholesale prices