China Manufacturer Bare Flash Memory LED Drive Musical Microchip Audio Recording Chip IC UART PWM Sound Voice IC Chip

Share on (1600565270972):


Price:

Quantity:


Product Overview

Description







Why Choose Us








Products Description






Features
WT2003H4-16S is a powerful and high-quality voice chip that uses a high-performance 32-bit processor with a maximum frequency of 120MHz. It has the characteristics of low cost, low power consumption, high reliability, and strong versatility. It can have a built-in voice capacity of 100 seconds\\350 seconds. Flexible control mode: support standard asynchronous serial communication (UART). Support SPI-Flash and U disk as storage. With file index play, interstitial play, single loop,
all track loop, random play and other functions. The volume is adjustable in 32 levels, and the maximum can support external 128Mbit Flash and 32G U disk.

* Support SPI-Flash、U disk * Suport FAT,FAT32 file system
* Control mode: standard UART communication interface, support DMA and flow control, the default baud rate is 9600 It is not played by default after power-on; with BUSY status indication, it is high level when BUSY is playing
* The external Flash can be connected to the computer through the USB interface of the chip to view or modify its content, and directly download the voice in the computer to the removable drive letter simulated by Flash (simulated U disk) (XP system, WIN7 system, WIN10 system)
* Support switching the audio output mode, the sample defaults to SPK output, if you need DAC output, please refer to the audio output switching instruction (0xB6)
* Support voice high-quality audio format, (8kbps~320kbps) beautiful sound * Support up to 128Mbit Flash and 32G U disk * Built-in 0.5W Class D power amplifier
* The volume is adjustable, the volume level is 32 levels
* Two 16-bit asynchronous divider timers
* Digital audio streaming, IIS supports host and slave modes
* One ICC controller
* An infrared remote control decoder
* 16 bit high precision ADC
* 16 bit high precision DAC
* High-power IO drive capability, up to 64mA can be directly driven
* When using a single chip (using built-in capacity), the built-in voice needs to be written before leaving the factory

Absolute Maximum Ratings


Symbol
Parameter
Min
Max
Unit
Tamb
Ambient Temperature
-40
+85
°C
Tstg
Storage temperature
-65
+150
°C
VBAT
Supply Voltage
-0.3
5.5
V
VDDIO
3.3V IO Input Voltage
-0.3
3.6
V


PMU Features


Symbol
Parameter
Min
Typ
Max
Unit
Test Conditions
VBAT
Voltage Input
2.2
3.7
5.5
V
-
VVDDIO
Voltage output
2.2
3.0
3.4
V
VBAT = 3.7V, 100mA loading
IVDDIO
Loading current
-
-
100
mA
VBAT=3.7V


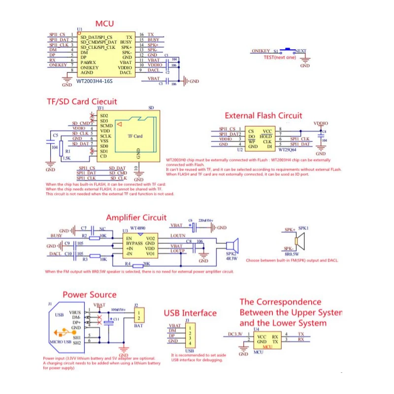
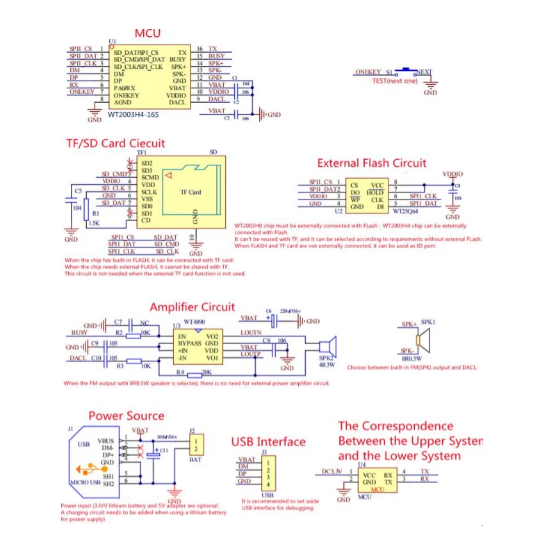
SOP16 Package Circuit Design Reference






Company Profile










Shipping And Payment




FAQ


Q1. What is your terms of payment?
A: T/T, Paypal, Western union.

Q2. What is your terms of delivery?
A: EXW, FOB, CFR, CIF.

Q3. How about your delivery time?
A: For standdard model, we can ship the goods whithin 1-2 working days.
B: For mass production, it will take 2~25 working days after receiving your advance payment.
The specific delivery time depends on the items and the quantity of your order.

Q4. Can you produce according to the samples?
A: We can supply the sample if we have ready parts in stock, but customers have to pay the sample cost and the courier cost.

Q5. What is your sample policy?
A: We can supply the sample if we have ready parts in stock, but customers have to pay the sample cost and the courier cost.

Q6. Do you test all your goods before delivery?
A: Yes, we have 100% test before delivery.

Q7. What is your terms of packing?
A: Generally, we pack our goods in white boxes and brown cartons. If you have legally registered patent, we can pack the goods in your branded boxes after getting your authorization letters. We'll show you the photos of the products and packages.

Q8: How do you make our business long-term and good relationship?
A:1. We keep good quality and competitive price to ensure our customers benefit;
2. We respect every customer and we sincerely do business no matter where they come from.


0.4882 s.