Share on (1600565483712):
Factory Wholesale Cheap 6 axis cnc robot arm For Stacking/laser Cutting/welding/painting/spraying
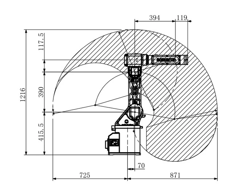
BRTIRUS0805A type robot is BORUNTE's the third generation of robots. The whole operation system is simple, compact struture, high position accuracy and has good dynamic performance. The load ability is 5kg, especially suitable for molding, picring stamping, forging, handling, loading, assembly, etc.
$4600 including robot arm +control box +Programming the teaching pendant














New products from manufacturers at wholesale prices