Share on (1600567628295):
HGF4-72C Glass Fiber Reinforced Plastics Centrifugal Fan(Belt Driven Type):The series of fans can convey corrosive gases containing acid, alkali and chemical components.Conveying gases are not allowed to contain a sticky, including dust and hard particle acuities were 150 mg/m3, gas temperature of 80 ℃ or less and relative humidity of 95% or less, this Kind of fan has high strength, light weight, not easy ageing, good corrosion resistance, low noise, stable running, etc.It is an ideal anti - corrosion and acid - alkali fan.The fans are widely used in chemical industry, electroplating, oxidation, power plant, laboratory, circuit board, environmental protection equipment and other places containing corrosive gases.
Feature:
1. The impeller is made of glass fiber reinforced plastic by injection molding or made of iron clad anti-corrosion glass fiber reinforced plastic;
2, Fan volute internal, motor shaft all have strictl anticorrosive function;
3. The product has a high temperature resistance of 80 degrees and is suitable for ventilation of various acid, alkaline and organic gases.
| |||||
|
|
|
| ||
3C | 2.2 | 2900 | 1050-2062 | 1158-387 | |
1.1 | 1450 | 525-1031 | 290-97 | ||
4C | 3 | 2900 | 3065-5701 | 1842-646 | |
1.1 | 1450 | 1532-2851 | 460-162 | ||
5C | 7.5 | 2600 | 8100-12960 | 1152-2160 | |
2.2 | 1120 | 4500-7200 | 320-600 | ||
6C | 15 | 2100 | 10939-16055 | 2490-1119 | |
11 | 2000 | 9945-16055 | 2092-940 | ||
7.5 | 1800 | 8951-14449 | 1694-761 | ||
5.5 | 1600 | 7956-12844 | 1339-601 | ||
4 | 1450 | 7210-11640 | 1099-494 | ||
3 | 1250 | 6216-10034 | 817-367 | ||
7C | 15 | 1600 | 10748-20009 | 1931-823 | |
11 | 1450 | 9572-17820 | 1555-662 | ||
7.5 | 1250 | 8397-15632 | 1179-502 | ||
5.5 | 1120 | 7524-14006 | 946-403 | ||
8C | 22 | 1600 | 23622-35411 | 2508-1170 | |
18.5 | 1450 | 22098-33126 | 2195-1024 |

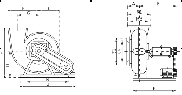
If the product is measured manually, there will be some errors. The relevant data are only for reference, and the received material object shall prevail. Unit: mm
New products from manufacturers at wholesale prices