Высококачественный китайский датчик пламени QRA2, фотоэлемент для газовой горелки

Share on (1600568546196):


Price:36,00 $ - 40,00 $

Quantity:


Product Overview

Description



PRODUCT SPECIFICATIONS


Model
QRA2
Usage
Flame detection for oil or gas





Summary:
Flame detectors are used in conjunction with Siemens combustion controllers for monitoring of gas or oil flames.
QRA...for OEMs integrating flame detectors into their products.

Use:
Flame detectors are used to monitor gas flames, yellow or blue fuel combustion flames, and calibration of ignition sparks.







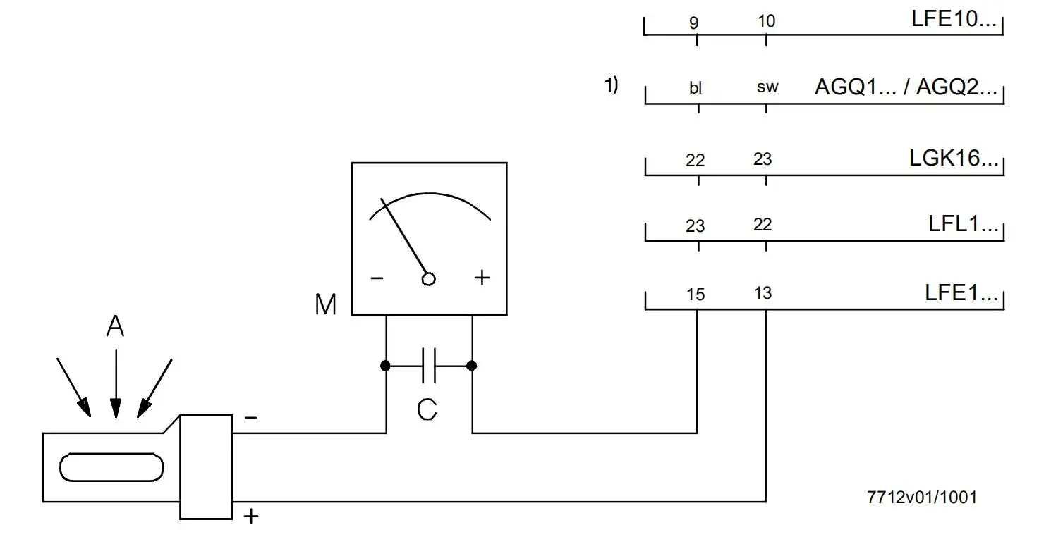
1) Microammeter through adapter AGQ1... / AGQ2... and flame detector connection
A Radiation influence range
M Microammeter (DC), internal resistance ≤ 5000 Ω
C Electrolytic capacitor 100...470 µF, DC 10...25 V





Service Precautions
• Before replacing the flame detector, make sure that the wiring is properly connected.
• KF8832 service pack is for short-term use only




Warning notice
To avoid personal injury, property damage and environmental damage, the following warning notices must be observed!
Do not open, interfere with or modify the flame detector! • All activities (installation, assembly and service work, etc.) are to be carried out by professionals
• Fully isolate the equipment from mains (all two stages disconnected) before making any wiring changes in the detector's connection area.
• Provide adequate protection to connection terminals from electrical shock.
• Check to make sure the wiring is properly connected.
• Halogen lamps, welding equipment, special lamps, or ignition sparks may generate enough radiation to cause the detector's UV
Unit is lit. X-rays and gamma rays can also cause false flame signals. • A fall or impact can affect the safety function. Such detector units do not work, even though they appear to be
No damage at all.

Installation Precautions
• Ensure compliance with relevant national security rules

Installation Guide
• Controller unit and other cables must be installed separately from high voltage ignition cables

Electrical connections for flame detectors

To exclude interference, it is important to avoid losses in signal transmission:
• Do not run detector cables with other cables
– Line capacitance reduces the level of the flame signal
– Use a separate cable • Observe the permissible length of the detector cable (refer to Technical Data)


QRA2
QRA2
QRA2


Recommend Products




AUD100C1000
AUD15C1000
R4750 Controller


About Us




0.2126 s.