Share on (1600568679089):
Low Voltage H.R.C Fuse NT00/NT1/NT2/NT3/NT4
Applications:
This series of fuse links is mainly used in AC 50Hz, rated voltage up to 1140V, rated current up to 1250A and for pro- tecting electric equipment from overload and short-circuit. It can reliably break the min fusion current to any current wit- hin 120KA.
It is also available for the protection of semiconductor parts and equipments against short-circuit(type aR)and prote- ction of motors(type aM).
This series of fuse links conforms to GB13539 and IEC 60269 standards.
Design Features:
It adopts the material with high quality. The arc-extinguishi- ng medium is quartz sand and fuse tube is high strength ceramic. The advanced manufacturing craft work ensures the performance of small power waste stable characteristic for the product. The outline structure and insta lation dime- nsion joints the advanced similar products from domestic and abroad.








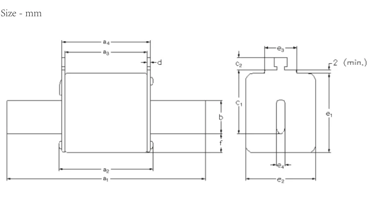
NH/NT Series Fuse LinkOverall Dimension:

| Size | a1 | a2 | a3 | a4 | b | c1 | c2 | d | e1(max) | e2(max) | e3(max) | e4 | f(max) |
| 000 | 78.5 | 54-6 | 45.4 | 49.1 | 15 | 35 | 9.5 | 1.9 | 43 | 21 | 17 | 6 | 7.5 |
| 00 | 76.5 | 54-6 | 45.7 | 49.7 | 15 | 34.7 | 10 | 1.5 | 44.5 | 28.5 | 18 | 6 | 13 |
| 0 | 125 | 68-8 | 61 | 64.7 | 15 | 34 | 9.8 | 2.7 | 44 | 28.5 | 18 | 6 | 12.5 |
| 1C | 134 | 68-8 | 61 | 64.7 | 15 | 34 | 9.8 | 2 | 44 | 28.5 | 14 | 6 | 12.5 |
| 1 | 134 | 75-10 | 62 | 66 | 20 | 40 | 10.2 | 2 | 49 | 48 | 18.5 | 6 | 11.8 |
| 2C | 150 | 75-10 | 62 | 66 | 20 | 47 | 10 | 2.5 | 47 | 47 | 18 | 6 | 11.5 |
| 2 | 149 | 75-10 | 62.5 | 67 | 25 | 46.3 | 10 | 2.3 | 58.5 | 58.5 | 18 | 6 | 14 |
| 3C | 149 | 75-10 | 61 | 66 | 25 | 56 | 10 | 2.8 | 59.5 | 59.5 | 24 | 6 | 16.5 |
| 3 | 150 | 75-10 | 62 | 68 | 32 | 60.5 | 10 | 3 | 68 | 68 | 18 | 6 | 15.5 |
| 4 | 202 | Max90 | 66 | 71 | 50 | 81.5 | 11 | 3 | 95 | 87 | 23.5 | 8 | 21 |
NH2/NT2 size Fuse Link Time-Current Curves:

NH2/NT2 size Fuse Link Technical Parameter:
| I2t(Amps2 Seconds) | |||||||||||||
| Part numbers | Fuse link | Rated | Rated | Net weight | |||||||||
| with metal | size | current | voltage | Minimum | *I 120kA | Watts loss) | per fuse | ||||||
| gripping lugs | (Amps) | (V a.c.) | pre-arcing | at 500 V a.c. | (kg) | ||||||||
| 250NH2 | 2 | 250 | 500 | 175200 | 451000 | ≤23 | 0.58 | ||||||
| 300NH2 | 300 | 310000 | 866000 | ||||||||||
| 315NH2 | 315 | 351000 | 1491000 | ||||||||||
| 355NH2 | 355 | 460000 | 1841000 | ||||||||||
| 400NH2 | 400 | 663000 | 2651000 | ||||||||||
----------------------------------------------------------------------------------------------------------------------------------------------------------------------
NH2/NT2 size Fuse Holder Technical Parameter:
| No. | Product model | Model,size and specification of applicable fuse link | Rates insulation Voltage(V) | Rated current(A) | Overall dimension(mm) | ||||||
| A | B | D | E | H | d | ||||||
| 18033 | RT16-1 | NT1 NH1 | 690 | 250 | 120 | 100 | 30 | 60 | 84 | 10.5 | |
| 18033 | RT16-1 | NT2 NH2 | 690 | 400 | 225 | 200 | 60 | 30 | 100 | 10.5 | |
| 18033 | RT16-1 | NT3 NH3 | 690 | 630 | 250 | 210 | 60 | 30 | 105 | 10.5 | |

Low Voltage H.R.C Fuse NT1/NH1 series


Fuse Links Selection Guide:
The purpose of using fuses is to out off the line safely and correctly to protect discrete components or the whole line in case of circuit errors. The following are the necessary conditions to be considered when selecting fuses.
Usual Service Conditions and Installation Conditions:
Ambient Temperature:
Ambient Temperature means the air Temperature directly around the fuse, and should not be understood as the room temperature. In many application cases, the fuses are at rather high temperature as they are installed with supporting devices or bases in different structures and they are closed in the distributing or controlling boxes.
Malfunction:
Malfunction is usually a result of incomplete analysis on the design of circuit, Special attention should be given to 1) normal rated current; 3) Ambient temper- ature; and 6)overload increasement of factors to be considered for selection of fuses listed below. For example, frequent reasons for malfunction under normal working conditions are insufficient consideration to the start current of capacitor circuit and the ambient temperature around the fuse link.
Rated breaking capacity:
Rated breaking capacity is the maximum short-circuit current allowed for the fuse link to cutout reliably under rated voltage. The instantaneous current loaded to the fuse link is much larger than the normal working current when short-circuit occurs. The fuse link is supported to cutout the line in an undamage condition i.e. without bursting. The rated breaking capacity of TIRH fuses is up to 120KA and the excellent current limiting characteristics reliably protect the equipment form damages by electric power.
Factors To Be Considered For Selection of Fuses:









New products from manufacturers at wholesale prices