Share on (1600580554568):

Material / Surface | ||||||||
Support bracket: Steel, painted black ; Support plate: Sheet steel, galvanized ; Inlet ring: Sheet steel, galvanized ; Impeller: Sheet Aluminum Electronics housing: Die-cast aluminum | ||||||||
Mechanical characteristics | ||||||||
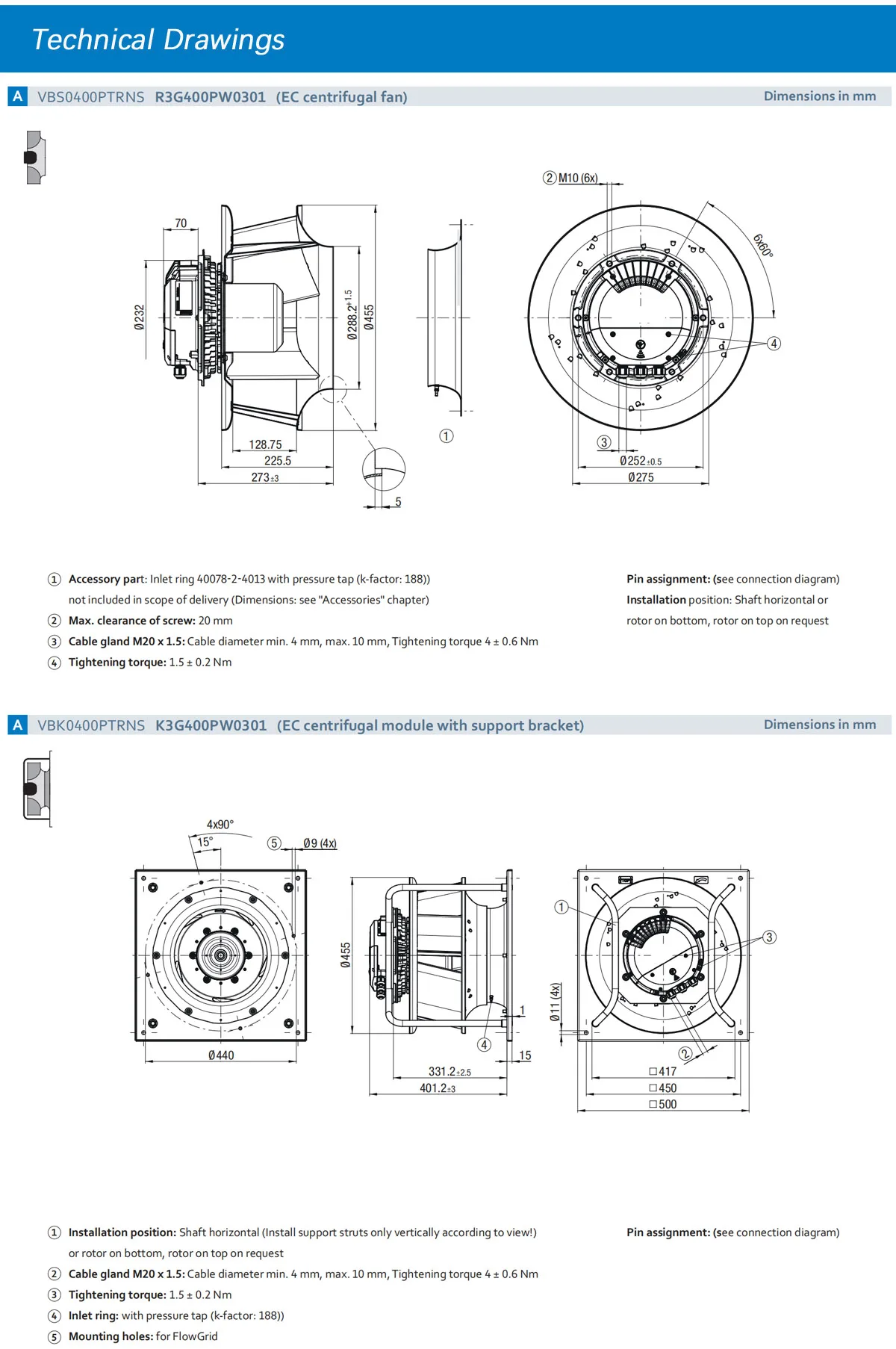
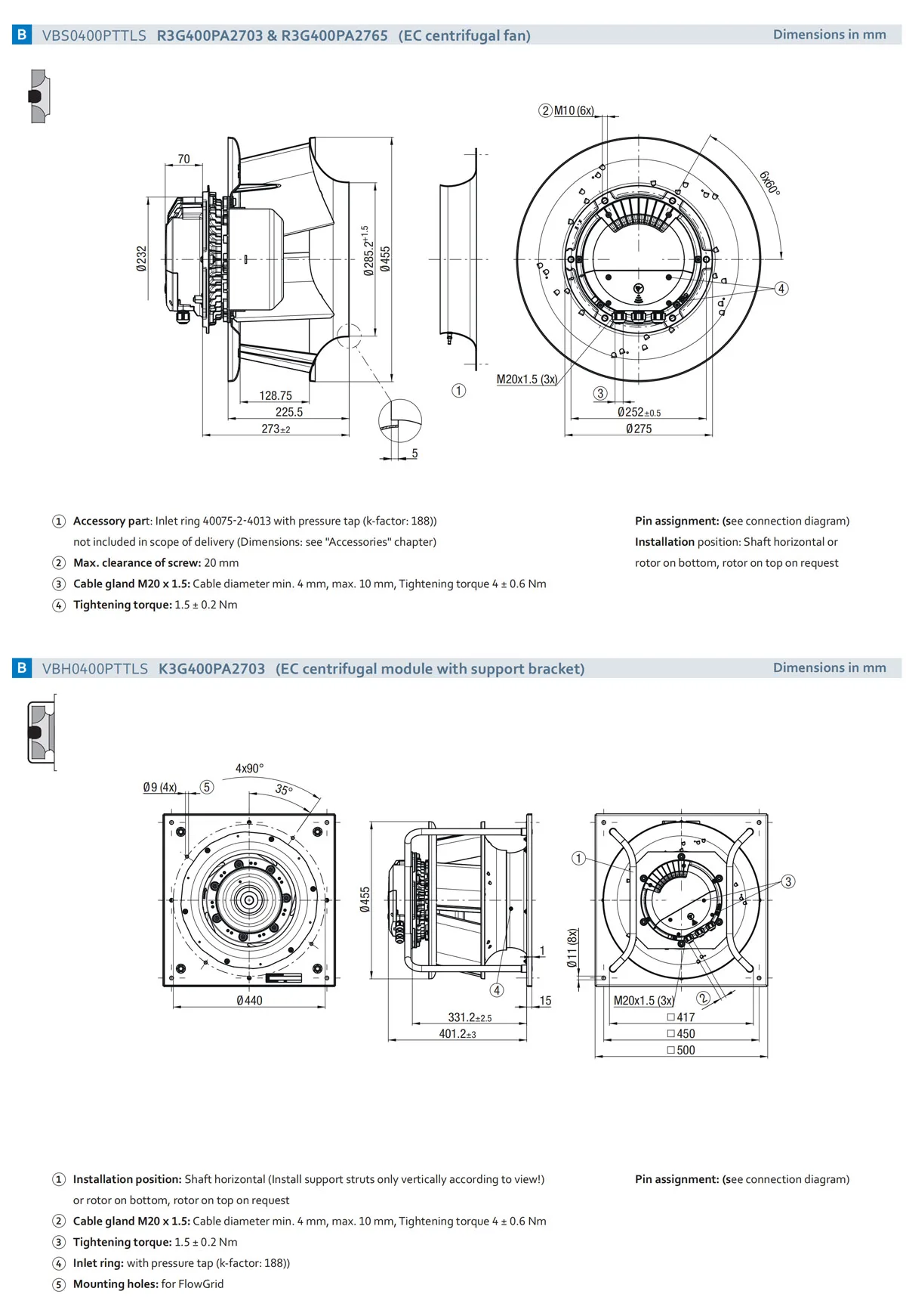
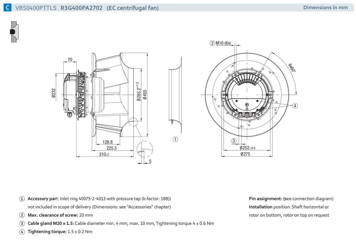
Number of blades:5 Direction of rotation: Clockwise viewed toward rotor Installation position: See product drawing Condensation drainage holes: Rotor side Mode:Continuous operation (S1) Mounting: Maintenance-free ball bearings | ||||||||
High Efficiency : | ||||||||
IP55 waterproof and dust-proof protection, F class insulation,ultra-efficient motor with 85% efficiency to save breeding costs and increase profits. | ||||||||







New products from manufacturers at wholesale prices