Share on (1600586793554):
We offer one stop service for all kinds of electronic components such as ICs, Diodes, Transistors, Optocouplers, Capacitors, Resistors, MOSFET, Crystal, IGBT modules, Fuses, Connectors, Switches, Adaptors, Potentiometers, OEM PCB/PCBA etc..


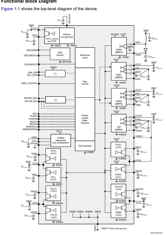
TI New Original IC Chip TPS65910A3A1RSL Integrated Circuits BOM list service












Shenzhen Hechen technology LTD has been engaged in PCB and PCBA field for many years. We are an ISO9001:2008 certified manufacturer focusing on Wireless module products such as 2.4GHz BLE 4.0 related products. our main products including BLE modules, WIFI module and OEM&ODM services for Consumer electronics. Hechen R&D team focus on designing and manufacturing many different high quality and low cost Consumer electronics hardware , offering one-stop services include:1. Schematic design; 2. Mold design;3. PCB layout; 4. Firmware design;5. Production and assembling. Hechen will keep straight ahead in ODM/OEM industry. The better service, solution, products and price is our core target.
Our Factory
Our PCBA test is a complete system which includes FCT, ICT, AOI and so on, so that we make sure each product out of our factory are consistent with the designed parameters and specifications. Before the PCB assembly, we always need to communicate with customers for the confirmation of a test plan. Usually our testing team will help our customers copy if they are pleased to hand over IC program, and then make FCT by testing jig which is usually customized according to PCB functions. (For full idea about FCT, ICT and AOI, you may know about them by Google.)

Our Sales Team
Ours Partner

Q1. Can I have a sample order?
A1: Yes, we welcome sample order to test and check quality.
Q2: How about the shipment and delivery time?
A2: We can make delivery within 1-3 working days once received your payment, Usually we ship the package by DHL or Fedex, other shipping method is also availiable.
Q3: Can you accept OEM&ODM service business?
A3: Yes, we can.We have a strong R&D team and professional production lines.Our R&D team
We can customize the special items as your needs.
Q4: Do you accept small quantity orders?
A4: Yes, we accept. But no doubt that the more the amount of your order, more discounts you will get. If you have a regular monthly order volume, we also would like to give you the appropriate discount.
Q5: What is the terms of payment?
A5: Usually by T/T for the bulk order, Samples order by Paypal, At the same time, Alibaba online order is recommended.
Q6:What can I get the Price?
A6:We usually quote within 12 hours after we get your inquiry. If you are very urgent to get the price, please tell us in your email so that we will regard you inquiry priority.
Q7: Can I printing my own logo?
A7:The customized Logo Silk can be accepted, you can send us your logo, so that we can check the price for your reference.
Q8: What about the customized the package?
A8: The customized package can be accepted, the MOQ is 1000pcs.
New products from manufacturers at wholesale prices