Share on (1600596268124):

Summary:
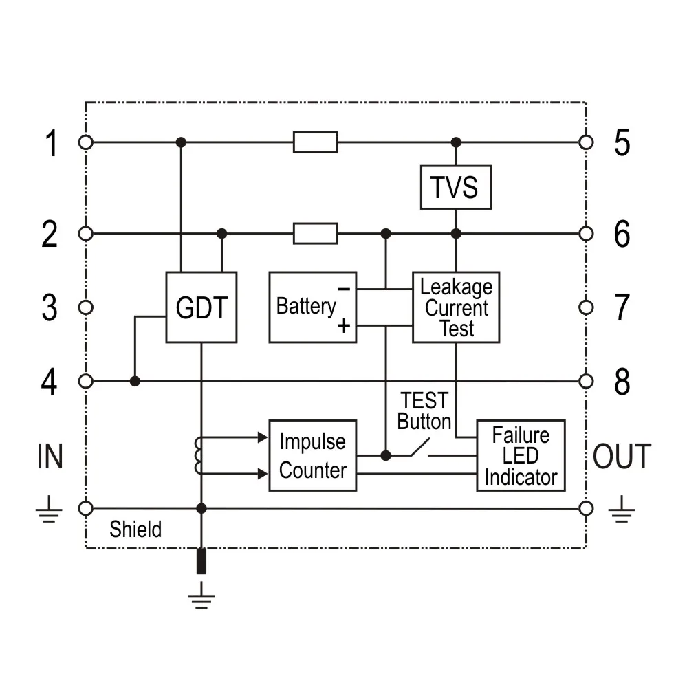
For installation at LPZ 0B-2 or higher, or directly at the upstream near the protected devices. Provide protection for protecting stranded signal 1 pair wires of balanced interface potential transmissions. Designed according to IEC 61643-21, EN 61643-21, GB 18801.21.
Main Character:
• For mounting on the 35mm DIN rail
• Small size, only 7mm wide module
• Connected to earth by DIN rail or earth terminal
• With shield terminal (direct or indirect to earth)
• Incorporated battery, with life detection function
• Pressing Test Button confirms with LEDs the degradation and life span
of the surge protection circuits
Parameters:
Type | BS RK 24 ST-II LT | BS RK 24 ST-ID LT | BS RK 60 ST-II LT | BS RK 60 ST-ID LT |
Nominal voltage d.c. [UN] | 24V | 60V | ||
Rated voltage (max. continuous d.c. voltage) ( L-L) [Uc] | 30V | 70V | ||
Rated voltage (max. continuous d.c. voltage) ( L-PG) [Uc] | 160V | 160V | ||
Rated voltage (max. continuous d.c. voltage) ( L-SG) [Uc] | 160V | 160V | ||
Rated voltage (max. continuous d.c. voltage) (SG-PG) [Uc] | 160V | --- | 160V | --- |
Nominal current [IL] | 250mA | 250mA | ||
Lightning impulse current (10/350) (per line) [Iimp] | 1kA | 1kA | ||
Nominal discharge current (8/20) (per line) [In] | 10kA | 10kA | ||
Nominal discharge current (8/20) (total) [In] | 20kA | 20kA | ||
Voltage protection level at 6kV (L-L) [Up] | ≤ 60V | ≤ 115V | ||
Voltage protection level at 6kV (L-PG) [Up] | ≤ 800V | ≤ 800V | ||
Voltage protection level at 6kV (L-SG) [Up] | ≤ 1200V | ≤ 800V | ≤ 1200V | ≤ 800V |
Voltage protection level at 6kV (SG-PG) [Up] | ≤ 800V | --- | ≤ 800V | --- |
Transmission frequency range [F] | 100MHz | 100MHz | ||
Series impedance (per line) [R] | 4.7ohm | 10.0ohm | ||
Response time (L-L) [tA] | ≤ 4ns | ≤ 4ns | ||
Response time (L-SG-PG) [tA] | ≤ 20ns | ≤ 20ns | ||
Operating temperature range [Tu] | -40°C...+80°C | |||
Cross-sectional area | 0.08mm2-4mm2 solid / 2.5mm2 flexible | |||
Mounting on | 35mm DIN rail | |||
Enclosure material | Orange thermoplastic, UL94-V0 | |||
Dimension | 98 x 7 x 95 (mm) | |||
Test standards | IEC 61643-21; EN 61643.21; GB 18802.21 | |||
Certification | CE, Rohs, ISO9001:2015 | |||
Ordering information | ||||
Type | BS RK 24 ST-II LT | BS RK 24 ST-ID LT | BS RK 60 ST-II LT | BS RK 60 ST-ID LT |
Art.-No. | 610 551 | 610 553 | 610 552 | 610 554 |
Packing unit | 1pc(s) | 1pc(s) | 1pc(s) | 1pc(s) |
















New products from manufacturers at wholesale prices