Share on (1600599192575):
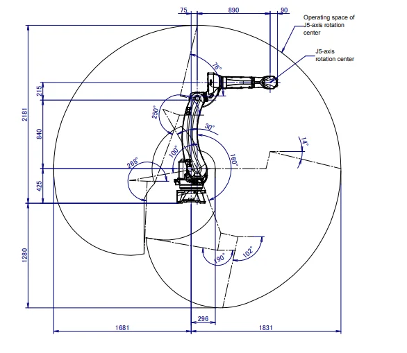
Fanuc M20iD/25 Industrial Manipulator Offering high performance in a small footprint, the FANUC M-20iD/25 is ideally suited to loading and unloading machines as well as parts handling and positioning in crowded factory environments. For best access, it features a compact arm and wrist and, thanks to its new improved design and drive train, offers significantly higher axis speeds and motion performance. | ||
*Brand | Fanuc | |
*Model | M20iD/25 | |
*Axis | 6 | |
*Max payload | 25kg | |
*Reach | 1831mm | |
*Footprint | 343*343mm | |
*Controller | R-30iB Plus | |
*Protection | IP54 | |






New products from manufacturers at wholesale prices