EKEPC2 C EKEPC2 EV Charging Controller Current Adjustable of EV Charger EVSE RCMU 6MA DC Protection

Share on (1600612683950):


Price:US$ 45.00 - US$ 50.00

Quantity:


Product Overview

Description



ETEC EKEPC2-C EV Charging station Mode Level 2 EVSE EPC Controller




Technical Details


Model Specification 
EKEPC2-C/S
Operating Voltage 
AC 230V±10%50Hz
Output the PWM Signal 
10A / 16A / 20A / 25A /32A 63A
Communication Function 
RS485( Modebus-RTU) / RS232 
Output Auxiliary Voltage 
DC12V/100mA 
DC5V/100mA 
Ambient Temperature 
-40℃-+50℃
Humidity 
≤85%
IP Degree 
IP 22
Cooling Method 
Natural Cooling 
Installation Method 
Din Rail Standard 


Addtional Function ( Optional)
1、RCMU Leakage Monitoring Mode ( 0-20mA/0-200mA)
2、Non-Contact IC Card
3、DLB Current Balance Mode
4、Current Sensor access mode ( DC+12V Output 0-5V)
5、With LCD Display




Description
The controller is a kind of product suitable for charging pile of electric vehicle.
(1) Software correction instructions, such as EKEPC1 or EKEPC2
(2) Maximum charging capacity indication 10A, 16A, 20A, 25A, 32A, Through the internal dial switch (The factory default setting is 32A)
(3) "C" for the cable version and "S" for the socket (without cable) version
(4) "C": with cable version" means that the charging cable is permanently connected to the controller; Pl/P2 terminal is connected to the AC contactor providing the charging load. The rated value of Curve B circuit breaker shall be selected within the maximum current range circuit breaker shall be selected within the maximum current range.


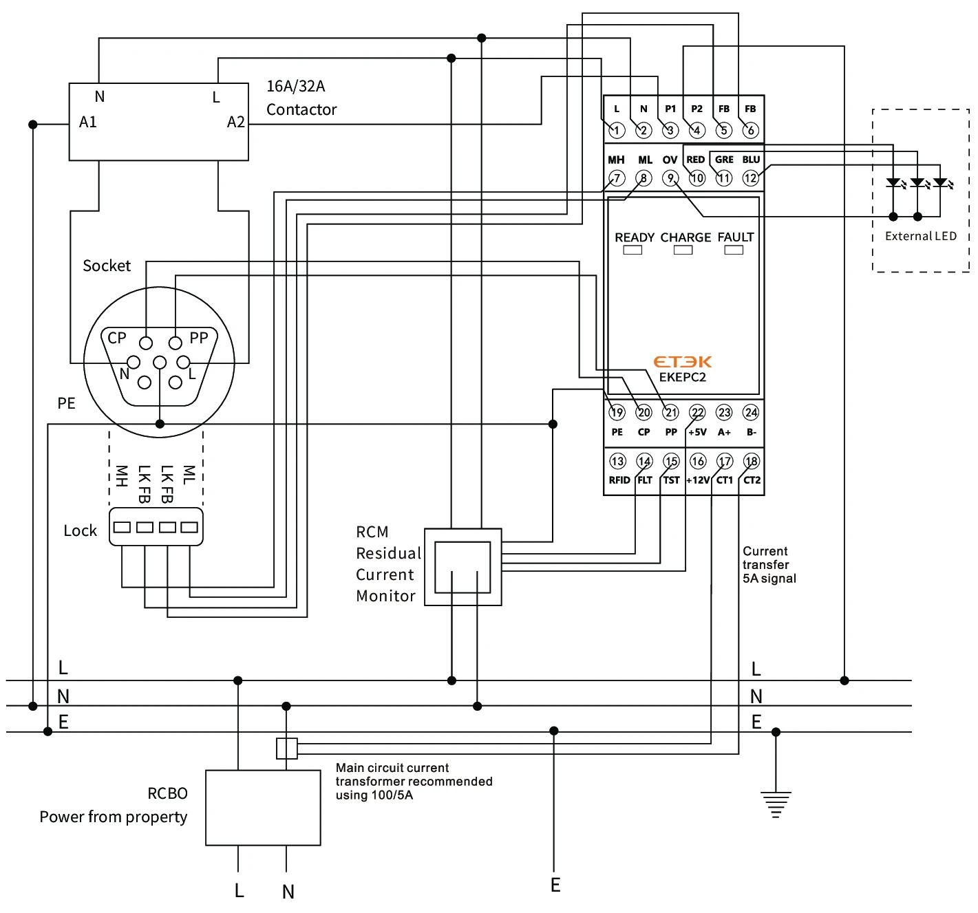
Application Cases
The following is a schematic diagram of an application case.
For example, item C with 1 pcs type B circuit breaker and 1 pcs contactor, item A, B with 1 pcs type A circuit breaker plus RCMU module and 1 contactor.




Controller Charging Procedure
After connected on the working voltage, the controller starts to initialize (self - detection procedure on the RCMU module) and conduct self - detection function (LED cycle flashing), waiting for the car to connect. The controller waits for the charging cable and the vehicle connection (status A), and the LED keeps flashing blue light, and this process requires about 6s waiting. If this controller connected the matched cable (status B), LED becomes stable blue light (and opens the electromagnetic lock switch).
After the charging plug linkage, and if the vehicle is in state C, the controller keeps the P1/P2 closed (charger connected), the LED becomes stable green, and the EV starts into charging mode. If the display status D( requires ventilation), because the controller does not have the heat dissipation function, the controller puts the P1/P2 on (charger off) simultaneously (close the electromagnetic lock switch), the head interlock fails and the controller turns off the charging program, the LED becomes stable red.




Functional Grounding
1. Connect "CP" directly to the interface of vehicle charging terminal.
2. Firstly connect the ground wire (PE line) of the vehicle charging terminal interface to the OV control point of the EPC
controller, and then connect other lines in order. Do not use terminal blocks or EPC controller to connect the device from the outside at OV control point.
OV control point shall be consistent with the expected current of the factory. The connection of EPC Controller to OV is
functional grounding, and the reliability of connection must be guaranteed, otherwise personal injury or property loss will be caused.
Relay Output
We recommend connection with 230/400V 10kA curve B RCCB.
Cutting off the power branch
According to IEC61851, it is required to cut off the power branch when the charging process is completed within 100ms.
The EPC controller will stop the relay output after detecting that the power branch is cut off.
Controller Connection Status




Application Circuit Diagram




Easy Installation
1: Install the controller (a) vertically onto the horizontal DIN rail (b)
2: Rotate the controller down until the clip into the Din




Overall Dimension(mm)




Company Introduction


GoodEv Tech's production base ,a 10 years experienced factory ensures big production capacity with high quality products by strict controls on the manufacture process and quality inspection.
Our professional and experienced R&D team combining the up-to-date technology into every product design, provides strong technical upport for clients customized needs; Our reliable quality products and excellent after sale services help gain customers from all over the world.




Certifications


222



Our Service


Packing Service
Generally, we pack our goods in brown strong cartons. If you have legally registered patent we can pack the goods in your branded boxes after getting your authorization letters.

Terms of delivery
FOB, CFR, CIF, DDU,EXW,DAP,DDP

Delivery time
Generally, it will take 5 to 25 days after receiving your advance payment. The specific delivery time depends on the items and the quantity of your order.

Samples Policy
Yes, we can produce by your samples or technical drawings.
if we have ready parts in stock, but the customers have to pay the sample cost and the courier cost.

Customer Service
We can provide customers with professional product advice and purchase options.
All emails will be responded within 24 hours during working days.
We have online customer service in English, French, German and Spanish. You can communicate with ease, or contact us through email anytime. All customers will get one-on-one service.

Customized Service
We provide flexible customized services with our abundant experiences in kinds of OEM projects.
OEM includes color, length, logo, packaging, etc. MOQ is depend on different customized requests.

After Sale Service
The warranty of all our products is one year. The specific after-sale plan will be free for replacement or charging a certain
maintenance cost according to the specific situations.
.However, according to the feedbacks from markets, we seldom have after-sale problems because strict product inspections are carried out before leaving the factory. And all of our products are certificated by top testing institutions such as CE TUV . Providing safe and guaranteed products is always one of our greatest strengths.


Title goes here.
Semi-Automatic PET Bottle Blowing Machine Bottle Making Machine Bottle Moulding Machine
PET Bottle Making Machine is suitable for producing PET plastic containers and bottles in all shapes.


0.154 s.