Share on (1600618030633):
If you need 3D model of the motor, please give us your email address and we will email you it.
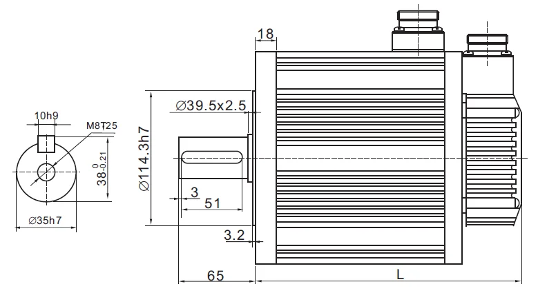
Motor model | Rated power(KW) | Rated voltage(V) | Rated torque(N.m) | Rated speed(RPM) | Length (L:mm) | Shaft diameter(D:mm) |
180ST-M17215 | 2.7 | 220/380 | 17.2 | 1500 | 226 | 35 |
180ST-M19015 | 3.0 | 220/380 | 19 | 1500 | 232 | 35 |
180ST-M21520 | 4.5 | 220/380 | 21.5 | 2000 | 243 | 35 |
180ST-M27010 | 2.9 | 220/380 | 27 | 1000 | 262 | 35 |
180ST-M27015 | 4.3 | 220/380 | 27 | 1500 | 262 | 35 |
180ST-M35010 | 3.7 | 220/380 | 35 | 1000 | 292 | 35 |
180ST-M35015 | 5.5 | 220/380 | 35 | 1500 | 292 | 35 |
180ST-M48015 | 7.5 | 220/380 | 48 | 1500 | 346 | 35 |
The motor can be assembled with brake, gearbox and absolute encoder as required.
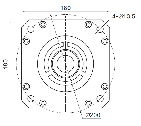
Installation Dimension: unit=mm


Specifications


Precautions :
1. When installing/removing parts to the end of the motor shaft, do not hit the shaft hard to prevent the encoder at the other end of the shaft from being knocked bad.
2. Striving to keep the shaft seat from vibration to prevent bearing from being damaged.
New products from manufacturers at wholesale prices