Share on (1600627840873):

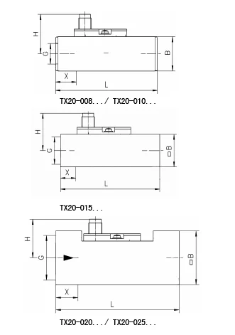
Model | Pressure bar | Max. fluidL/min(water) | Adjustable range L/min(water) | G mm | L mm | H mm | B mm | X mm | Weight kg |
TX20-008...L(X)008 | 50 | 40 | 0.60(0.1)..8(7) | G1/4 | 93 | 36 | 30 | 12 | 0.22(0.50) |
TX20-010...L(X)008 | 50 | 40 | 0.60(0.1)..8(7) | G3/8 | 93 | 36 | 30 | 15 | 0.20(0.51) |
TX20-015...L(X)008 | 50 | 40 | 0.60(0.1)..8(7) | G1/2 | 93 | 36 | 30 | 15 | 0.18(0.48) |
TX20-020...L(X)008 | 50 | 40 | 0.60(0.1)..8(7) | G3/4 | 105 | 36 | 35 | 15 | 0.23(0.65) |
TX20-025...L(X)008 | 50 | 40 | 0.60(0.1)..8(7) | G1 | 105 | 36 | 40 | 15 | 0.32(0.82) |
TX20-008...L(X)015 | 50 | 40 | 1(0.5)...15(13) | G1/4 | 93 | 36 | 30 | 12 | 0.22(0.53) |
TX20-010...L(X)015 | 50 | 40 | 1(0.5)...15(13) | G3/8 | 93 | 36 | 30 | 15 | 0.20(0.51) |
TX20-015...L(X)015 | 50 | 40 | 1(0.5)...15(13) | G1/2 | 93 | 36 | 30 | 15 | 0.18(0.48) |
TX20-020...L(X)015 | 50 | 40 | 1(0.5)...15(13) | G3/4 | 105 | 36 | 35 | 15 | 0.23(0.65) |
TX20-025...L(X)015 | 50 | 40 | 1(0.5)...15(13) | G1 | 105 | 36 | 40 | 15 | 0.32(0.82) |
TX20-015...L(X)025 | 50 | 40 | 2(0.8)...25(25) | G1/2 | 93 | 36 | 30 | 15 | 0.18(0.48) |
TX20-020...L(X)025 | 50 | 40 | 2(0.8)...25(25) | G3/4 | 105 | 36 | 35 | 15 | 0.23(0.65) |
TX20-025...L(X)025 | 50 | 40 | 2(0.8)...25(25) | G1 | 105 | 36 | 40 | 15 | 0.32(0.82) |
TX20- | 008 | G | D | L | 015 | M | 1 | |
TX20- | TX20 piston flow switch | |||||||
008 | G1/4 | |||||||
010 | G3/8 | |||||||
015 | G1/2 | |||||||
020 | G3/4 | |||||||
025 | G1 | |||||||
G | Female thread | |||||||
D | 24V±20%DC | |||||||
J | 230V±15%AC | |||||||
S | Plastic shell | |||||||
L | Anodized Alumina shell | |||||||
X | Stainless steel shell | |||||||
008 | Set range:0.6...8L/min | |||||||
015 | Set range:1...15L/min | |||||||
025 | Set range:2...25L/min | |||||||
M | M12 connector | |||||||
Z | Attach wire directly | |||||||
1 | 1 point output | |||||||
2 | 2 point output | |||||||
ZL04- | PU | 02 | M | Z | Description |
ZL04- | M12 4 core line connector | ||||
SL04- | Self-wiring M12 with cable connector | ||||
PU | PUR | ||||
02 | 2 meter | ||||
05 | 5 meter | ||||
10 | 10 meter | ||||
M | Female plug | ||||
Z | Straight type | ||||
W | Bending type |








New products from manufacturers at wholesale prices