Share on (1600639087902):

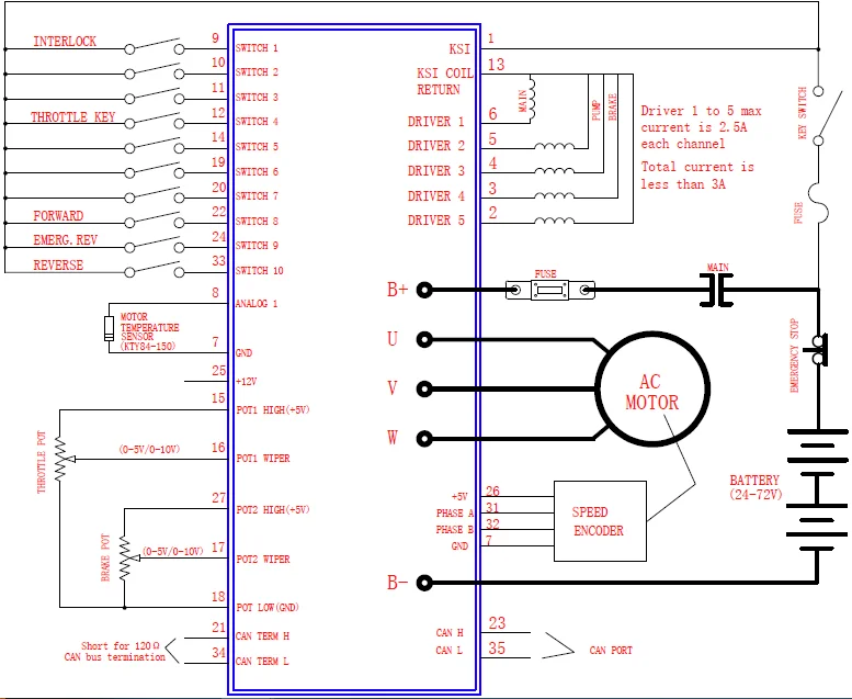
Voltage | 48~72V/80V |
Fault isolation logic | NO |
Max Current(2 min) | 400~550A |
Control type | Speed or Torque |
Control method | IFO control |
CAN cable | YES |
Automatic adjustment | NO |
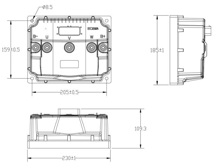
Dimensions | 230*185*110mm |
IP class | IP67 |










New products from manufacturers at wholesale prices