Share on (1600641950563):
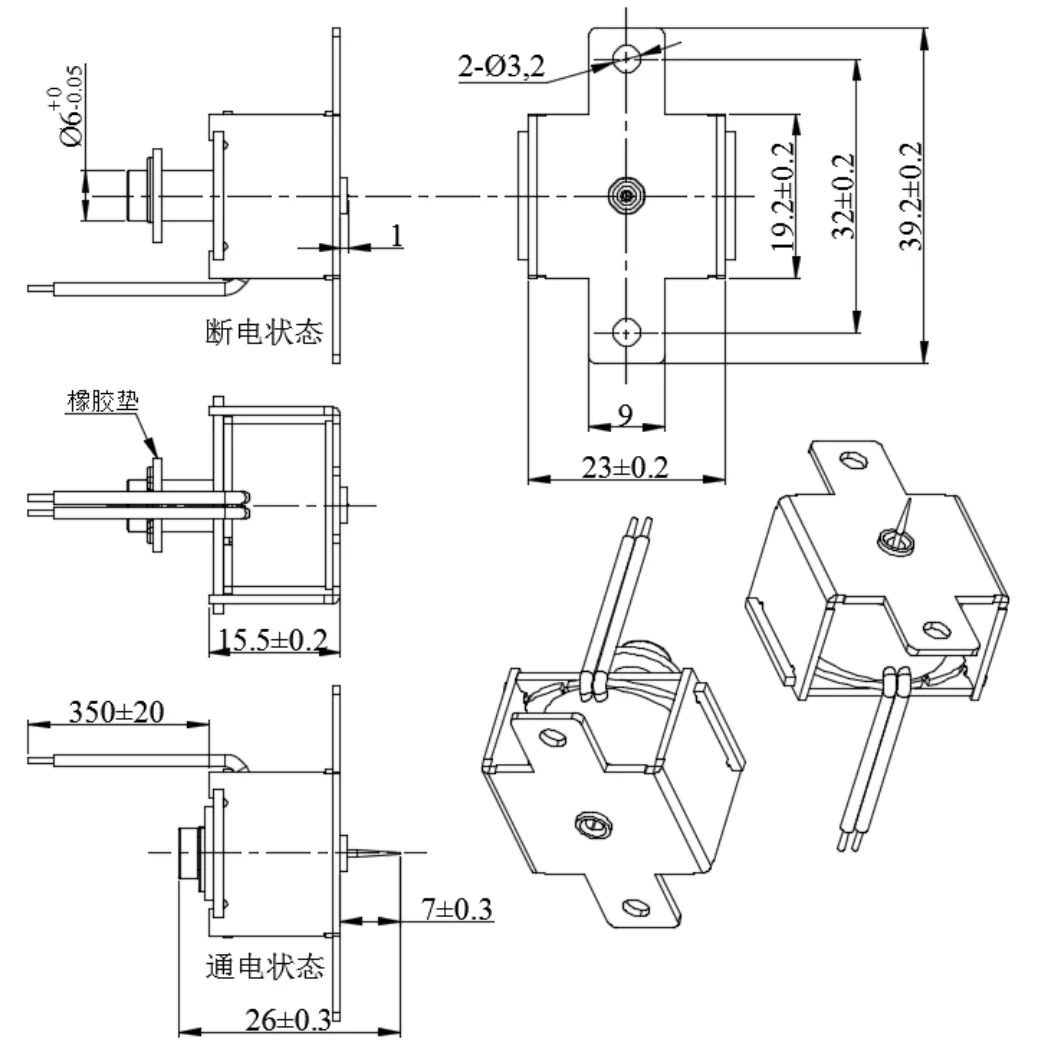
1. Product name: | BS-0615S |
2. Text condition | 2.1 Temperature range:—20℃~+65℃ 2.2Relative humidity:—20℃~+45℃ 2.3Voltage:DC6V /12V /36V/48V 2.4Wattage:Customization 2.5 Working cycle:10-100% |
3 Apperance: | no damage, rupture, rust, or surface stain |
4 Electrical | 4.1 Insulation resistance:DC500V,≥50MΩ 4.2High voltage:AC700V 50/60Hz-1s,maximum Maxleakage current 1 mAh (between coil and housing) |
5Biometry: | ≥300000times |
















New products from manufacturers at wholesale prices