Share on (1600649017181):

Features:
Description:
The X6-200W series is 200W outdoor offline programmable LED driver that operates in constant current with high PF value and universal input voltage range 90~305Vac model. Offline Monitored by dimming cable connected with an USB kit programming device, the fully programmed drivers offer all dimming, dim-to-off, constant lumen output options and a wide range of output current in a single driver, which deliver maximum flexibility with customized operating settings and intelligent control options for lighting manufacturers, as one driver can be programmed for many different luminaire designs. X6 provides built-in timer dimming schedules further increasing the energy savings and CO2 reductions achieved with LED lighting. It also helps clients to improve the management of logistics and stock. The compact metal case and high efficiency enables the driver to operating with high reliability, and extending product lifetime. Overall protection is provided against lightening surge, output over voltage, short circuit, and over temperature, to ensure low failure rate.
Models:
| Model Number (1) | Max Output Power (W) | Output Voltage Adjustable Range (V) | Output Voltage Range (Vdc) | Full-Power (A) | Default (A) | Input Voltage Range | Typical Efficiency | Power Factor |
| X6-200Y041 | 200 | 20-41 | 30-41 | 4.88-6.67 | 5.56 | 90~305Vac | 91% | 0.97 |
| X6-200Y041 | 200 | 20-41 | 30-41 | 4.88-6.67 | 5.56 | 90~305Vac | 91% | 0.97 |
| X6-200Y062 | 200 | 38-62 | 40-62 | 3.23-5.00 | 4.90 | 90~305Vac | 92% | 0.97 |
| X6-200Y062 | 200 | 38-62 | 40-62 | 3.23-5.00 | 4.90 | 90~305Vac | 92% | 0.97 |
| X6-200Y191 | 200 | 96-191 | 133-191 | 1.05-1.50 | 1.05 | 90~305Vac | 93% | 0.97 |
| X6-200Y191 | 200 | 96-191 | 133-191 | 1.05-1.50 | 1.05 | 90~305Vac | 93% | 0.97 |
| X6-200Y286 | 200 | 143-286 | 191-286 | 0.70-1.05 | 0.70 | 90~305Vac | 93% | 0.97 |
| X6-200Y286 | 200 | 143-286 | 191-286 | 0.70-1.05 | 0.70 | 90~305Vac | 93% | 0.97 |
Notes:
[1]. Y=M means dimmable and offline programmable, The adjustable Iout range: 10%-100% Imax; Y=V means non-dimmable and output current adjusted by built-in potentiometer.
[2]. Output current adjustable range with constant power at max output power;
[3]. All specifications are measured at 25℃ ambient temperature, input voltage 230Vac, and the typical value tested by full load, if no specific note.
Input specification:

More requirements about the model,pls send quote request
Output specification:

More requirements about the model,pls send quote request

More requirements about the model,pls send quote request

More requirements about the model,pls send quote request
SAFTY STANDARDS:

More requirements about the model,pls send quote request
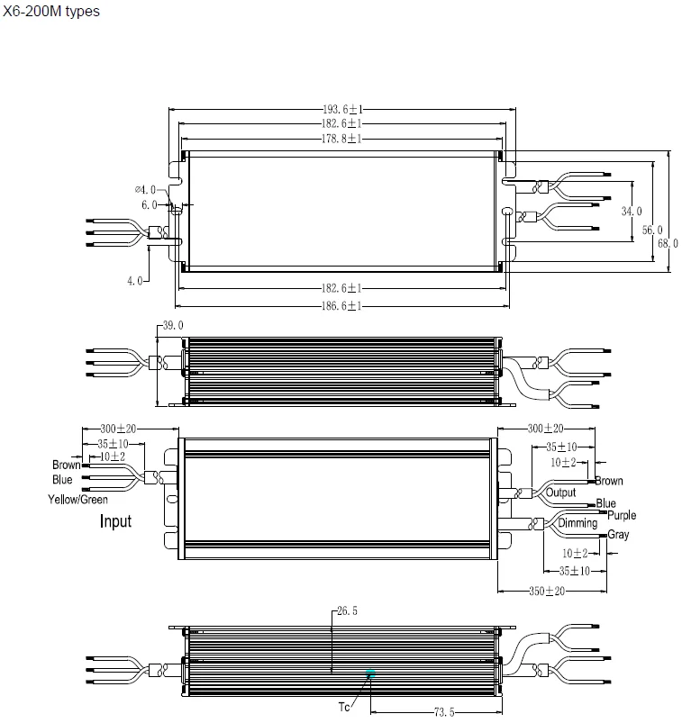
MECHANICAL OUTLINE:

More requirements about the model,pls send quote request

More requirements about the model,pls send quote request
Application:

More requirements about the model,pls send quote request
1. What is the warranty of the driver?
-- It's 5 years warranty
2 .What is MOQ of the led driver?
--1pcs
3.Can we get samples for testing?
-- Yes,sample order welcomed.
4.What is delivery of the sample and bulk order?
-- 7working days for samples, 15-25days for the bulk order after receiving payment.
5.What is the payment?
--Paypal,T/T in advance,LC,western Union,visa,credit card,MoneyGram,30% deposit,70% against documents.
USD, EURO are acceptable here.
6.How to delvery the samples and bulk order goods?
-- By DHL,UPS,FedEX,TNT,EMS for samples,
-- By air or by sea for bulk order
Hangzhou Moonlight Box Technology Co.,Ltd specializing led modules for outdoor led lighting retrofit and Inventronics & Meam well brand power supply. Our advantages as below:
* Over 14 years exporting experience
* Guaranteed by Alibaba
* With US $516,000 Alibaba insurance
* With an honest and high-effi executive team
* A willing heart without no excuse to deal with warranty and after-sale service
Warehouse and Container loading:

More requirements about the model,pls send quote request
New products from manufacturers at wholesale prices