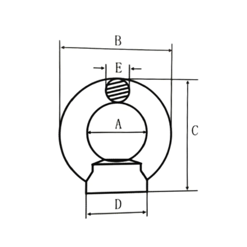
Share on (1600652745201):



SIZE | A (mm) | B (mm) | C (mm) | D (mm) | E (mm) |
M5 | 12.20 | 22.10 | 21.70 | 11.70 | 4.95 |
M6 | 16.42 | 27.00 | 29.60 | 16.00 | 5.36 |
M8 | 20.20 | 34.80 | 35.20 | 18.60 | 7.30 |
M10 | 25.60 | 42.80 | 43.50 | 23.30 | 8.60 |
M12 | 30.20 | 50.80 | 51.00 | 28.40 | 10.30 |
M14 | 30.20 | 52.60 | 54.30 | 28.50 | 11.20 |
M16 | 34.70 | 59.70 | 59.30 | 32.60 | 12.50 |
M18 | 37.06 | 66.45 | 66.80 | 37.40 | 15.35 |
M20 | 40.00 | 68.40 | 66.80 | 41.60 | 14.20 |
M24 | 50.33 | 84.90 | 86.00 | 47.00 | 17.30 |
M27 | 42.88 | 85.00 | 83.84 | 49.00 | 21.67 |
M30 | 54.30 | 103.22 | 104.30 | 54.60 | 24.00 |
M36 | 67.40 | 123.80 | 122.90 | 72.90 | 26.90 |






New products from manufacturers at wholesale prices