Thick Film High Power Chip Resistor 2W

Share on (1600673598263):


Price:

Quantity:


Product Overview

Description



Customer Photo


Product Description


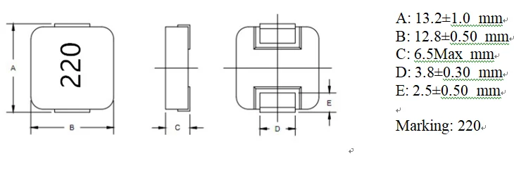
6.8uH 0.22uH 22uH SMD Power Inductor Shielded Choke Coil Inductor


Specifications
1.Carrier tape packing use for SMT
2.High rated current, Low DCR, roundity
3.Diameter: 313.2mm, Height: 6.5mm(MAX)
4.Suitable for Reflow SMT Craft Solidering
5.Lead Free Product, RoHS Compliant

Support Custom ,
Welcome to Inquiry !






Just Tell us Your Request , We can recommend Accordingly.
(Inductance , Size , Current ...All can be customized ! )


Features
* Low loss, low impedance, no lead end, small parasitic capacitance
* Solid and firm, closed magnetic circuit, good magnetic shielding and EMI performance
*Small size, SMD Packaging, Suitable for Intensive Automatic Installation of Integrated Board
*It is suitable for high-power and high current circuits, and can maintain excellent temperature rise current and saturation current at high-frequency ( up to above 5MHz) and high-temperature environment.
* Magnetic Shielding Structure, Closed Magnetic Circuit, Strong Anti-Electromagnetic Interference, Ultra-Low Buzzer
*RoHS and Halogen-Free


Application
*PAD/ Notebook/ Desktop/ Server applications
*DC/DC Converter


Recommend Products




Company Profile






Mingda Team Building Flag from Military Factory


Production Line
Warehouse


Production equipments
Testing equipments
Marketing share


Our service




Packaging and Shiping




Certifications




Customer Photos


FAVORABLE COMMENT
Strict and responsible quality control department to ensure  the quality.

Engineers can provide technical support for customized products, provide advices for original design.

OEM is acceptable.




0.2016 s.