Share on (1600691661406):

I. Equipment overview
A. Features: New high-efficiency program-controlled plastic positive and negative air pressure thermoforming machine, applying the latest international plastic sheet forming technology, is the integrated design of machine, electricity and gas, using microcomputer and industrial programmable PLC control, the whole system HMI(man-machine).Square tunnel type inlet radiation heater, concave and convex mold can be formed, laser blade punching, its technological process: heating, forming, punching, stacking counting and other main multi-station production line. The production line can be synchronous running at the same time, using the current abroad combined with the domestic advanced molding technology, save labor, prevent secondary pollution, save materials, improve product quality and product percent of pass, exponentially increase the production efficiency, convenient operation, good reliability, functional, high degree of automation, automatic thermoforming and products dedicated to sheet cutting one of the automatic production line.
B. Application: Suitable for HPS, PS, PP, PVC, PET, chemical plastic materials such as plastic molding, machining high transparent, high tensile, shallow drawing, circular, square, irregular, two-way stretch up and down, flanging, and other products, the production of various box, dish, tray, bowl, cover, industrial packaging, food packaging, cosmetic packaging and other packaging plastic products.
II. Equipment process flow
Feed sheet → transfer sheet → first heating → second heating → third heating → forming and cooling→ cutting → stacking → scrap rewinding.
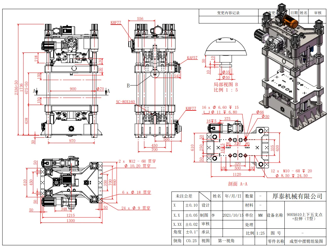
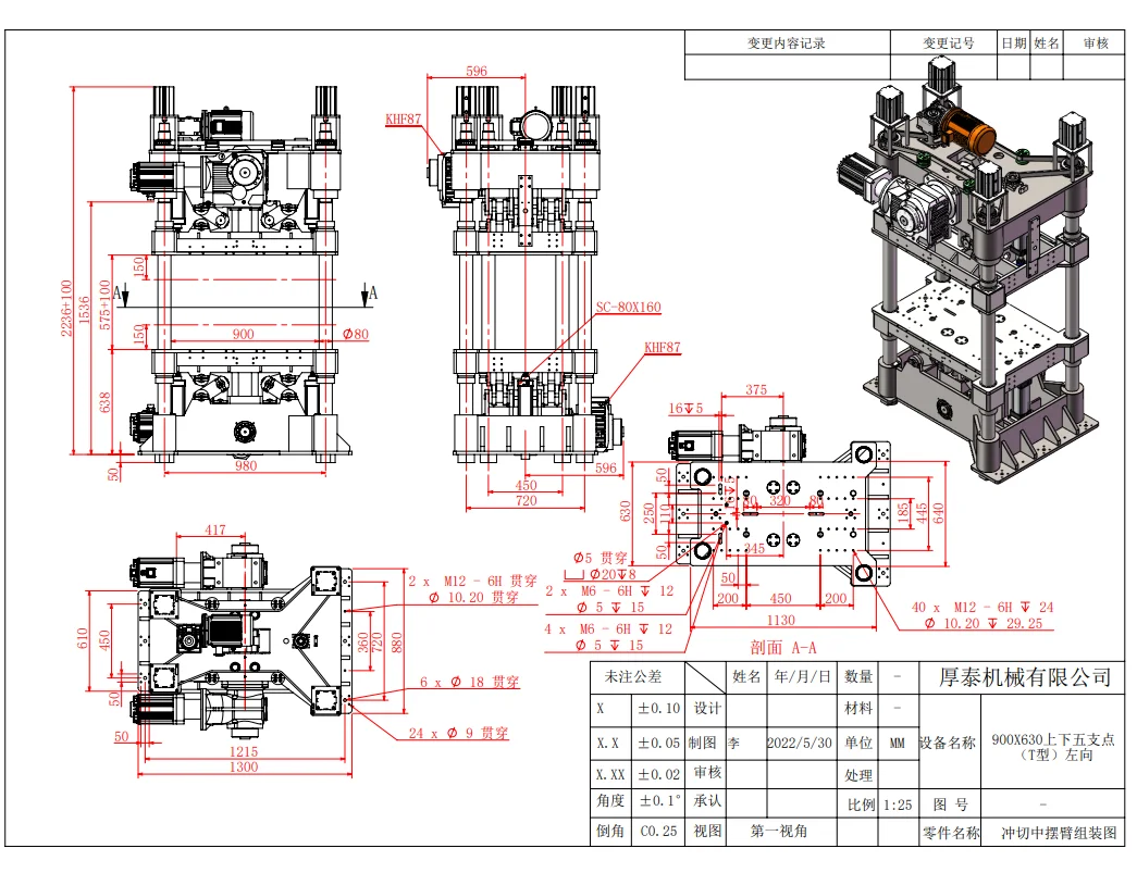
III. We produce station by ourselves. More than 60% Chinese thermoforming machine factories purchase stations from us.


COMPANY PROFILE:
Dongguan Houtai Machinery Manufacturing Co., Ltd. is a mature manufacturer established in 2003 with the approval of relevant national departments. We have a variety of large three axis, four axis, five axis CNC machining center, precision gantry large water mill, precision testing tools and other equipment. We are specializing in the production of blister continuous trimming machine, four column hydraulic cutting machine, plastic vacuum forming machine, thermoforming station, thermoforming machine and auxiliary equipment. We deeply concentrate on the blister industry. Our machines are highly praised by customers. "HOUTAI" brand machines are widely used in blister packaging, fast food packaging, fruit packaging, EVA/EPE packaging etc industry. Our first-class sales team is thoughtful and meticulous in the whole pre-sale, sale, after-sales service. We always keep the pursuit of product excellence, to ensure that users buying at ease, using rest assured.
Houtai are always willing to create brilliant future hand in hand with friends in the industry!


Cooperation Brands




| 1 | Clam shell fast food container making machine | https://youtu.be/RqPGYOTw6tY |
| 2 | Automatic blister die cutting machine with robot arm picking | https://youtu.be/_WhOZBWIUv8 |
| 3 | Single side feeding die cutting machine | https://youtu.be/1L7mSXpHsuA |
| 4 | High speed plastic vacuum forming machine | https://youtu.be/s2_kVuoGySs |
| 5 | Disposable cup making machine | https://youtu.be/Ob9hagmtigk |
| 6 | High speed Hydraulic Plastic disposable container Cutting Machine | https://youtu.be/ic8GI8cPv0o |
| 7 | Continuous blister cutting machine | https://youtu.be/CWlSYmM550U |
| 8 | Automatic EPE packaging die cutting machine, multiple rolls cutting | https://youtu.be/bCj977Z3YpU |
| 9 | Vertical foam cutting machine | https://youtube.com/shorts/cGIeeM1roDY?feature=share |
| 10 | Manual feeding hydraulic die cutting machine | https://youtu.be/cfiiAVo2g4U |

Delivery Time
Within 75 days after confirming order
Payment Terms
30% for deposit, the rest 70% shall be paid by T/T before delivery.
1. 24 hours online and telephone support; Nomatter anytime, anywhere or any question I will reply you as soon as possible.
2. Exclusive and unique solution can be provided to our customers by well-trained and professional engineers and staffs.
3. Engineers and professional technicians keep seeking the new ways to innovate all of our wheel loaders, which could provide you the most competitive products.
4. Global cooperation with distributors, you can get the most convinent after-sale service. Special discount and protection of sales area provided to your distributor.
5. Your success is our business. We will do our best to provide you the most competitive product with high quality and low price.
after-sale service
1.During the first year,all parts are for free,except the consumables and artificially damaged.
2.We will supply operation video for installation,we can also solve your problems through email,photos and some communicate software.we also can provide oversea service.
3.You are also welcomed to our plant for training.We will responsible for the restaurant and meals,the training is for free.
4.We manufacture many embossing machines and hydraulic cutting machines.Such as,four-column plane cutting,gantry,roller cutting.Please find more info on our website.
5.We welcome you come to visit our plant,give us your suggestions,we will try our best to satisfy you.
FOR MORE DETAILS PLEASE DO NO HESITATE CONTACT WITH US!
1. What's the warranty of your machines?
12 months Warranty, Life-long technical support
2. How do you help with the installation?
Engineer is available to serve over sea if needed. It is easy for customer to install through video calling. What’s more, we have video tutorial for customers.
3. Can we test our own material by your machine before order?
Yes, please contact us to send your material. We will test and send video to you.
4. Can you make dies (molds) of different products for us?
Yes, we used to do that for customers.
5. Are you factory or trading company?
We are factory.
Don't know what machine is suitable for you?
Please just ask us!
Don't know how the machine working?
Please contact us to see the video!

New products from manufacturers at wholesale prices