KSRC series spring return single acting hydraulic cylinder jack ram

Share on (1600722701414):


Price:

Quantity:


Product Overview

Description





If you need other types hydraulic cylinder or other hydraulic tools please contact me !!
My whatApp is : +86-199-5169-4295
Or click the below picture to inqury directly~





1. Unique Bearing Design, reduces wear, extending life.
2. Base mounting holes enable easy fix turing.
3. Designed for use in all positions.
4. High strength alloy steel for durability.
5. Redesigned cylinder thread protector for ease of use.
6. Heavy-duty, pretensioned spring improves retraction speed.
7. Baked enamel finish for increased corrosion resistance coupler and dust cap included on all models.
9. Plunger wiper reduces contamination, extending.






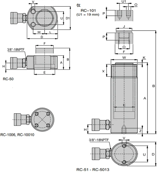
Quick Selection Chart :
For complete techniacl information please contact the sales.








Suitable Products:


Manual Pump (P-142)
Manual Pump (P-392)


Electric Pump (KHE-3)
Electric Pump (KHE-4)




All tools can be ordered separately , please tell seller your rquirements.
We recommend the suitable tools for you~












Workshop




Packing Room








If you don't have a forwarder in China, please contact sales. We will quote you the cheapest / fastest shipping cost.

We supply:
All express , by sea , by air , by sea to door , by air to door ....etc..






Thanks so much for your support~


0.1627 s.