Share on (1600758389934):

Houshing: | Aluminium Alloy (KM050~KM090) and Cast Iron (KM110) | ||
Gearset: | Helical & Hypoid Bevel Gear Set, 20CrMnTi Steel, Carburizing & cementation penetration depth 0.3-0.5mm remaining carburized layer after precise grinding, Gears Hardness: 56-62 HRC | ||
shaft material: | Shaft-chromium steel-45# | ||
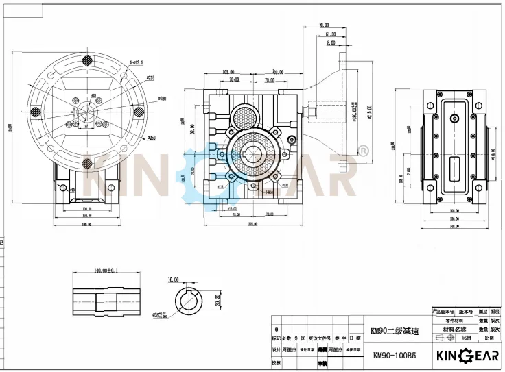
Ratio: | 1:7.5,10,15,20,25,30,40,50,60,80,100 120,125,150,180,200,250,300 | ||
Input Configurations: | Equipped with Electric Motors (AC Motor, Brake Motor, DC Motor, Servo Motor), Hollow Shaft Input with IEC Flange (B5/B14) | Hollow Shaft Input with NEMA Flange Hollow Shaft Input with Servo Motor Flange Solid Shaft Input | |
Output Configurations: | Keyed Solid Shaft Output Keyed Hollow Shaft Output Hollow Shaft with Output Flange | ||
Options: | protection cover, torque arm, output flange, output shaft kit | ||












New products from manufacturers at wholesale prices