Share on (1600760290452):
1. Purpose: used for automatic temperature control of household appliances such as electric water heater, electric oven, electric water heater, etc
2. Brand: Double Arrow
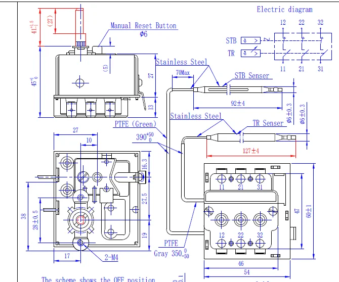
3. Principle:
The temperature controller is composed of three parts: temperature sensing component, temperature setting main component, and microswitch for opening and closing. It is to change the change of controlled temperature into the change of pressure in the closed space through the closed capillary filled with temperature-sensitive working medium. When the temperature reaches the set value, the contact will be opened and closed automatically through the elastic element and quick instantaneous mechanism to achieve automatic temperature control.
4. Function: automatic temperature control
5. With automatic control band adjustment: Yes
6. Closed loop control or open loop control: closed loop control
7. Is it with the imported actuator: No






![3E]$WL(0A}S~`AX{I0YMPLN.png](http://sc03.alicdn.com/kf/H95fd035260bc4061b89368e3919f7ee9i/222452715/H95fd035260bc4061b89368e3919f7ee9i.png)
New products from manufacturers at wholesale prices