2200W mobility scooter,mini golf cart
US $4650-$5650
Share on (1600760301458):


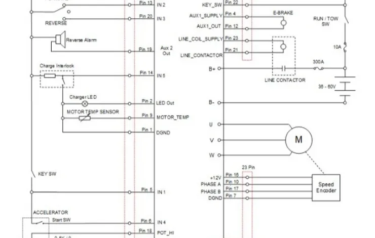
Product Name: | Motor Controller Kcca0289 For Club Car Ezgo Excar |
Feature: | Field oriented control |
Accelerator Inputs: | 5V,3Wire5K,2Wire5K |
Five DigitalIn puts: | 3-StateInputs |
Fuel Type: | Electric |
Packaging Detail: | Label + Inner Box + Export Carton |
Common Packing: | Label,Color Inner Box,etc |
Delivery: | By Courier,By Air,By Sea |
Port: | Shenzhen,Shanghai,Guangzhou |









New products from manufacturers at wholesale prices