Share on (1600760338939):

Input Rating | Output Rating |
+/− 19 VAC | 100 KV, 100 µA |







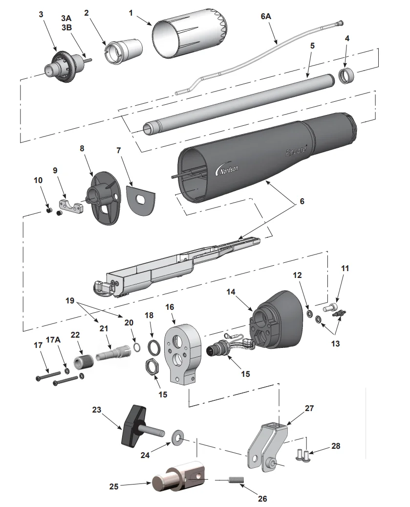
No. | Code | Part Name | Available |
1 | 1081638 | NUT, nozzle, handgun, Encore | √ |
2 | 1081658 | NOZZLE, flat spray, 4 mm, Encore | √ |
3 | 1604824 | ELECTRODE ASSEMBLY, Encore, flat spray | √ |
3A | 1106078 | ELECTRODE, spring contact, packaged | √ |
3B | 1605863 | HOLDER, electrode, M3, flat spray, Encore | √ |
4 | 1097527 | SEAL, tube, powder | √ |
5 | 1097524 | TUBE, powder, bar mount, auto, Encore | √ |
6 | 1608279 | KIT, neg power supply/auto body, Encore | √ |
6A | 1088558 | FILTER ASSEMBLY, handgun | √ |
7 | 1088502 | GASKET, multiplier cover, handgun, Encore | √ |
8 | 1097520 | BULKHEAD, body, front, auto, Encore | √ |
9 | 1101381 | PLATE, screw | √ |
10 | 1097522 | NUT, Allen, 4-40, stainless steel | √ |
11 | 815666 | SCREW, socket, M5 x 0.8 x 12, zinc | √ |
12 | 983127 | WASHER, lock, internal, M5, zinc | √ |
13 | 1081616 | FITTING, bulkhead, barbed, dual, 10−32 x 4 mm tubing | √ |
14 | 1097518 | BODY, gun, rear, auto, Encore | √ |
15 | 1097514 | RECEPTACLE, gun harness | coming soon |
16 | 1097512 | ADAPTER, mount, bar | √ |
17 | 1605696 | SCREW, socket head, M3 x 35 mm | √ |
17A | 983520 | WASHER, lock, internal, M3, steel, zinc | √ |
18 | 1097511 | QUAD RING, Viton, 0.614 in. ID x 0.070 in. | √ |
19 | 1604831 | CONNECTOR ASSY, hose, univ, auto, Encore | √ |
20 | 1036432 | O-RING, silicone, 13 mm ID x 2 mm W | √ |
21 | - | CONNECTOR, hose, univ, auto, Encore | √ |
22 | 1604821 | RETAINER, connector, hose, univ, auto, Encore | √ |
23 | 1102293 | KNOB, T-handle | coming soon |
24 | 1102294 | WASHER, flat, 0.34 x 0.74 x 0.06 in., nylon | coming soon |
25 | 1097546 | ADAPTER, tube, mount, bar | coming soon |
26 | 345385 | SCREW, set, flat, M8 x 20, black | coming soon |
27 | 1097542 | BRACKET, mount, bar | coming soon |
28 | 982503 | SCREW, button, socket, M5 x 10 | coming soon |



New products from manufacturers at wholesale prices