Share on (1600760389040):




Items | Basic parameters |
Brand | HENGXIANG |
Encoder type | absolute encoder |
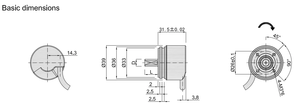
External diameter | 39mm |
Thickness | 31.5mm |
Installation dimension | 26±0.1mm diameter |
Shaft type | Solid shaft |
Shaft diameter | 6mm; 8mm;10mm |
Bit(steps) | Single-turn 17bits; 19bits; 20bits; 22bits; 24bits;Up to 32bits; Multi-turn: 16bits+(17-26bits) |
Outlet type | Cable connection |
Electrical interface | RS-485 |
Communication | BISS C (Binary) |
SSI (Binary/Gray) | |
Protection grade | IP65 |
Cable length | 1M (cable length could be added appropriately by |
require, but it need payment individually) | |
Response speed | Normal action: 6000min-1 |
RMS position signal noise | ±2 @18 Bits/r |
Communication clock frequency | ≤10 MHz (BiSS) or ≤5 MHz (SSI) |
Starting time | Typical value: 13ms |
Absolute position sampling priod | ≤75 ns |
Mechanical connection | Axial flange type or slotted fixing |
starting torque | less than 9.8x 10-3N.m |
Intertia moment | less than 6.5x 10-6kg.m2 |
Shaft load | Radial 30N; Axial 20N |
Allowed speed | ≤6000r rpm |
Environmental temperature | Operating:-40 ~+95°C;storage:-40 ~+95°C |
Enviromental humidity | Operating and storage: 35-85%RH(noncondensing) |
Vibration(endure) | Amplitude 1.52mm,5-55Hz,2 hours for three axis individually |
Shock(endure) | 980m/s2 ,11 ms three times for X,Y,Z direction individually |
Shaft Material | Stainless steel |
Shell Material | Aluminum alloy |
Certification | CE |
package | Carton box |
Net weight | About 310g (with package) |







New products from manufacturers at wholesale prices