Share on (1600768568005):

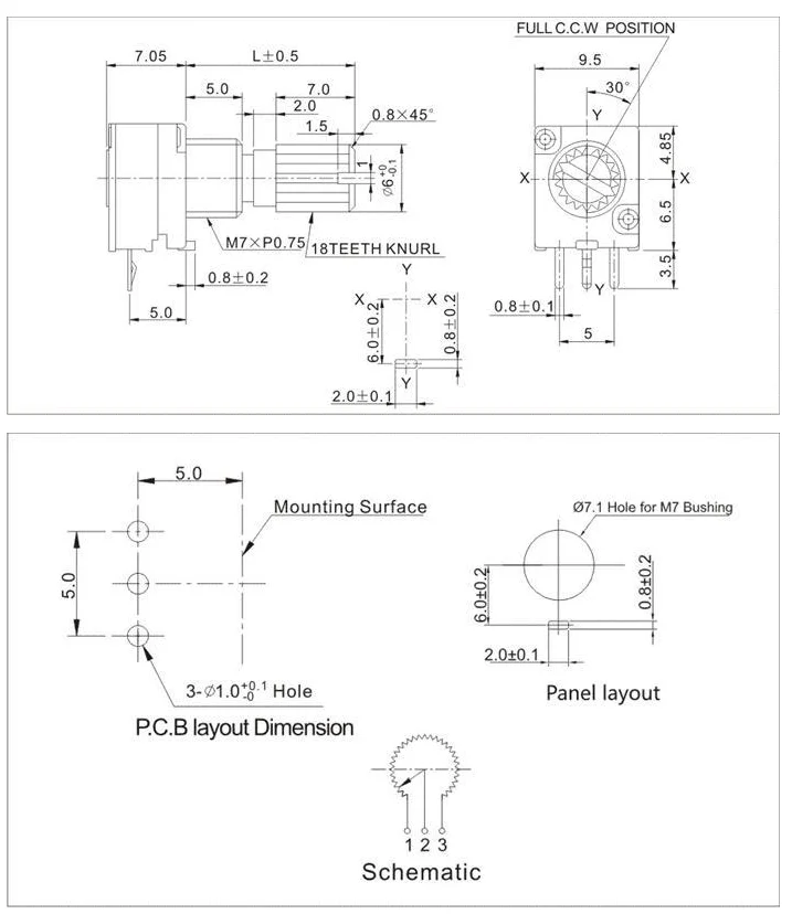
9mm potentiometer drawing and specification
ELECTRICALCHARACTERISTICS | |
Resistance Value Range | 1K~1M |
Resistance Tolerance | 500<R<1M:± 20%:R<500ORR>1M:±30% |
Resistance Taper | A, B, C |
Rated Voltage | AC50V, DC10V |
Rated Power | Taper B: 0.05W: other taper: 0.025W |
Rotational Noise | Not less than 100mV |
Insulation Resistance | Less than 100M,in DC 250V |
Withstanding Voltage | In AC 300V for 1 minutes |
Residual resistance | Terminal.1~2:< 20Ω: terminal .2~3: <20Ω |
MECHANICAL CHARACTERISTICS | |
Total Rotational Angle | 300°± 10° |
Rotational Torque(outer shaft) | 5~90gf.cm |
Rotational Torque(inner shaft) | 3gf.cm~60gf.cm |
Segment Torque | 50gf.cm~200gf.cm |
StopperStrength | Less than 3.0Kgf.cm . |
Shaft bear strength | Less than 6.0Kgf |
DURABILITY CHARACTERISTICS | |
Rotational Life | Standard life: less than 15,000 times . Long Life: Less than 100,000 times |
SWITCHCHARACTERISTICS | |
Rated Power | 3.0A at DC 16V |
Contact Resistance | Less than 100m |
Switch Angel | <50 ° |
Switch Torque | <500gf.cm |
Switch Life | 15,000 times. |
Some Certification
Our Factoty
Our Machine


Our Wokers


Our Building


Payment Terms
Delivery Ways
Potentiometer referring to


if any interest.pls feel free to let us know.
Contace person: Rebecca Cui
Phone/Whatsapp: 0086 17828079058
Trade Manager:cn151786704eqb
QQ: 1977757804
New products from manufacturers at wholesale prices