Share on (1600770767419):
XURUI UL TUV approved zinc alloy material gear limit switch 8104
Features:
Double way switch,double spring inner switch.
Variety of levers.
Strong structure,made of zinc metal alloy and plastics,
Easy to contact lines.
Widely used in Mechanical equipment,automatic machine,instrument,electro motion tool etc.
Technical Specification:
Item | Data |
Rating load | 5A/250VAC |
Operation speed | 5mm-50cm/s |
Operation frequency | Mechanical 120times/min |
Electrical 30 times/min | |
Contact resistance | ≤25mΩ |
Insulation resistance | ≥100MΩ |
Withration voltage | Non-connection wire 1000VAC |
Every terminal 1500VAC | |
Operating life | Electrical 100,000 above |
Mechanical 1000,000 above | |
Protection degree | IP65 |
Operating temperature | -25°C-60°C |
Operating humidity | ≤85% |
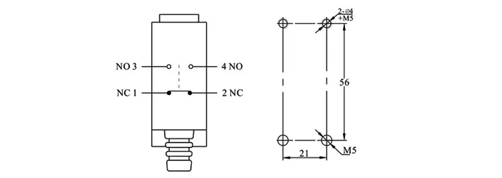
Mounting Holes & Contact Form:

Product Structure:
Appearance & Dimension Drawing:


| OF MAX | 700g (6.86N) |
| RF MIN | 60g (0.59N) |
| PT MAX | 30º |
| OT MIN | 60º |
| MD MAX | 15º |
| OP | 90º |
Another Color Product Detail Pictures:

XZ-8 series full models as following:

New products from manufacturers at wholesale prices