Share on (1600799155845):
SWK-GLN DC Signal Isolator | ||||||||
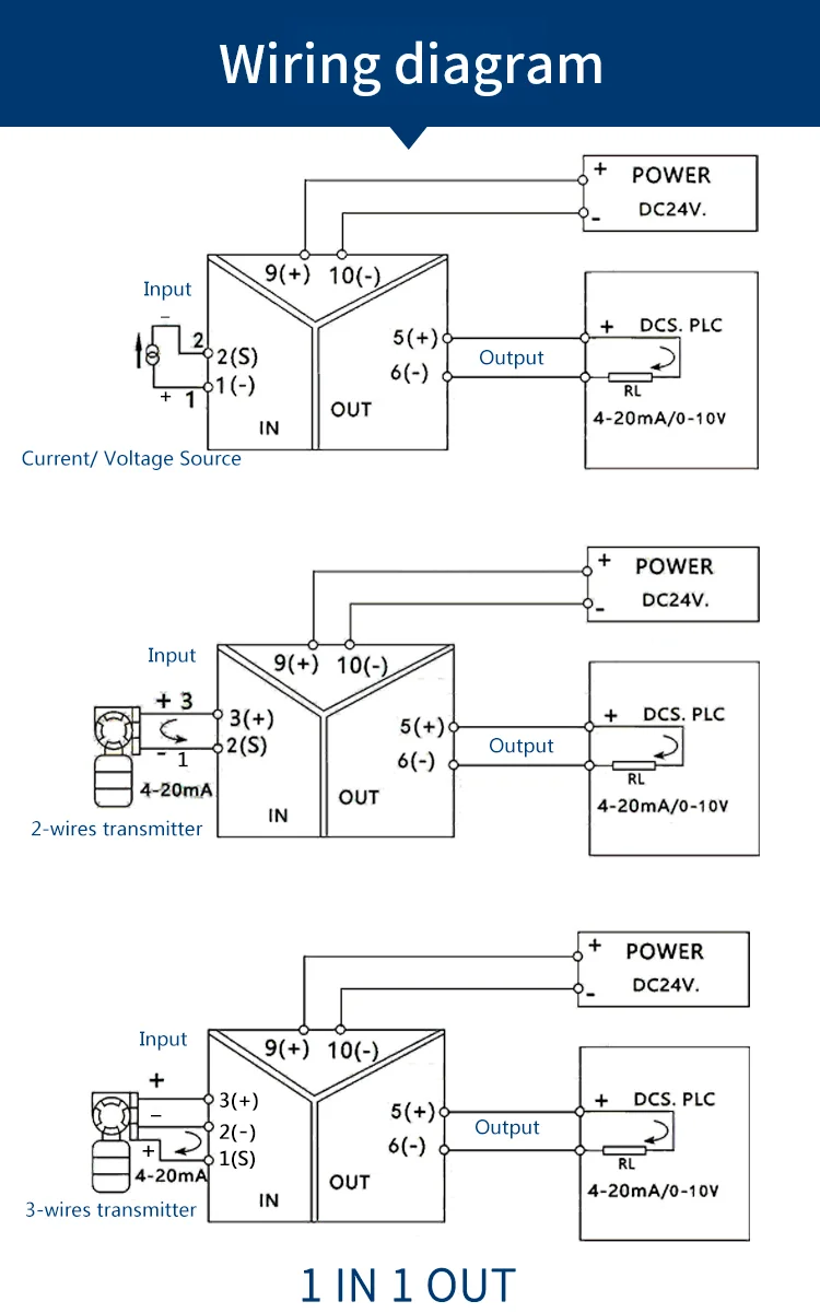
Model No | SWK-GLN | |||||||
Channel | 1 in 1 out , 1 in 2 out | |||||||
Input Signal | 4-20mA, 0-20mA ,0-5V, 0-10V, etc | |||||||
Output Signal | 4-20mA, 0-20mA ,0-5V, 0-10V, etc | |||||||
Power Supply | DC24V 12V | |||||||













New products from manufacturers at wholesale prices