Share on (1600799690986):
item | value |
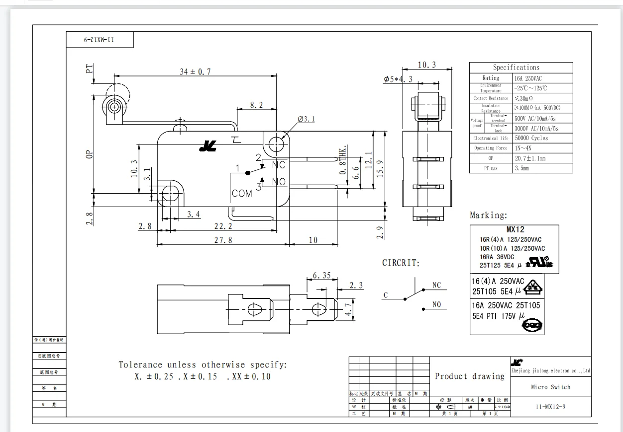
Certification | CQC |
Whether the smart | NO |
Place of Origin | China |
Zhejiang | |
Brand Name | JL |
Model Number | MX12-9 |
Max. Current | 20A |
Max. Voltage | 250V |
Operating Temperature | 85 |
Protection Level | safe |
Product Name | Micro Switch |
Model Number | MX12-9 |
Material | plastic,metal |
Brand Name | JL |
Max. Current | 20A |
Max. Voltage | 250V |
Operating Temperature | -25℃~+80℃ |
Electrical life | 100,000 times above |
Application | electronic equipment |
Whether the smart | NO |















New products from manufacturers at wholesale prices