Share on (1600799736613):

Input (DC/V) | 144V |
Max current output (AC/A) | 400 |
Rated current output (AC/A) | 220 |
Max power output (KW) | 50 |
Max frequency output (Hz) | 300 |
Working environment temperature (℃) | -30℃ ~ 55℃ |
Storage environment temperature (℃) | -40℃ ~ 70℃ |
Insulated performance | Input & ouput to the shell DC1000V, leaking current 0.05mA, insulated resistance 20MΩ |
Controller efficiency | 0.98 |
Cooling method | Naturel cooling/Air cooling |
Vibration standard | GB/T2423 |
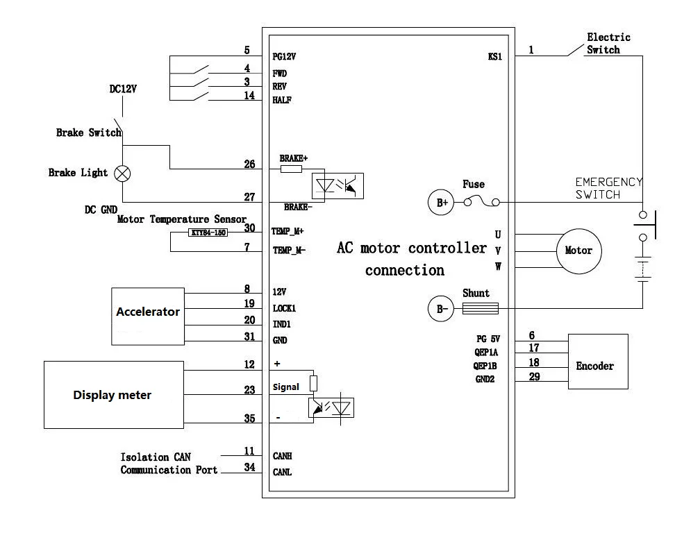
Control method | Vector control |
Communication method | RS232/CAN |
IP class | IP67 |
Weight (Kg) | 7.5kg |
Motor Type | AC Asynchronous motor |









New products from manufacturers at wholesale prices