Share on (1600812924384):



Product name | Hydraulic Oil Gear Pump |
Warranty | 1 Year |
Brand Name | BODEN |
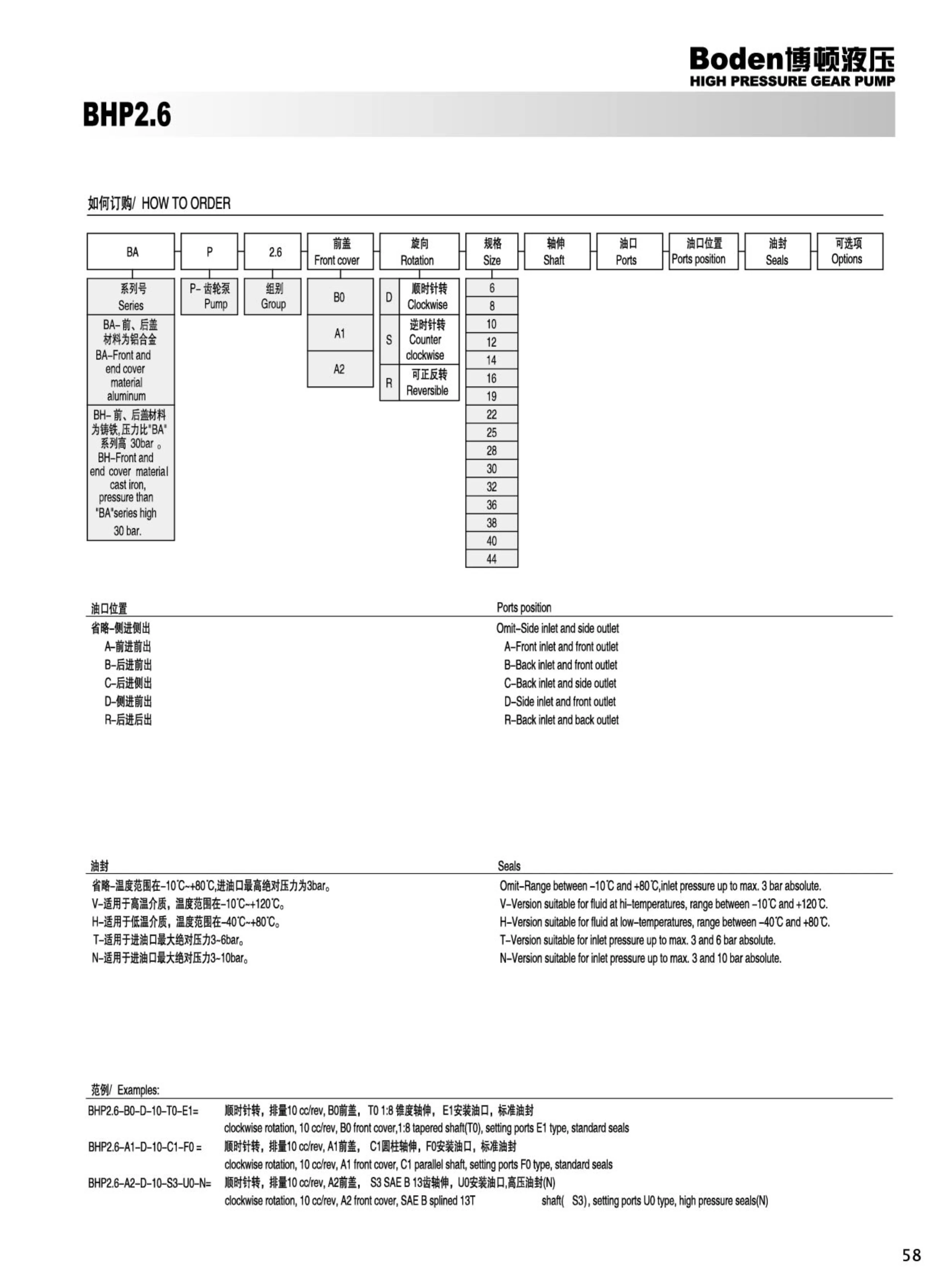
Displacement | 6ml/r--44ml/r |
Pump Type | Gear Pump |
Application | Agriculture Machinery and Hydraulic System |
Series | Group 2.6 series |
Max.pressure | 300bar |











New products from manufacturers at wholesale prices