Share on (1600816936393):









ITEM | Parameter |
Mixing ratio | 1:1--10:1 adjustable |
Working range | Can be customized |
Displacement speed | 300mm/s(speed) |
Out-glue speed | 1-12g/s per single pump |
Accuracy | ±2%(output volume)±2%(mixing) |
tolerance | ≤0.2mm |
Flow control | Digital input |
Program memory | 99pcs-999pcs |
Motion trail | Dot , line ,curve ,circle |
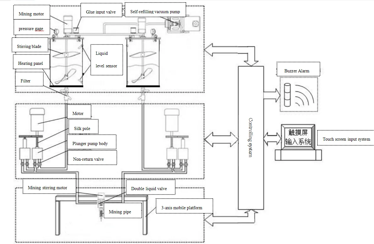
Automatic controlling system | Touch screen (to achieve program programming, modification, storage and so on |
Out-glue control system | AB glue back suction valve, achieve AB glue independent operation |
Programmatically | Tech programming/or computer systems (Micro software Windows 7,Windows10 optional) |
Mixing method | dynamic mixing |
Power supply | 220V/50Hz/1500W without heating |
Air source | 0.5-0.8Mpa |
Viscosity range | 50-20000cps |
A tank | 10L 25L 40L stainless tank(optional) |
B tank | 10L 25L 40L stainless tank(optional) |
Others | AB tank 、A pump、AB pipeline heating function |









New products from manufacturers at wholesale prices