Share on (1600829804987):
Stock QS 138 3000W 70H V1 Mid Drive Motor spline shaft with 428 14T sprocket Kit with EM150sp Controller and Z6 Throttle
Pls note: This motor is NEW shaft, pls see below:
NOTE:the motor on sale was produced on 2021.
Once u place the order, we will make 100% QC check before sent.
P.S. Orange phase line is our new packaging, new and old packaging random delivery, if specified please contact customer service!
If you have any confused about the shipping cost, please feel free to contact with us.
Also could place order but don't pay first, then we could adjust the price.


For 138 3000W mid drive motor , it could be used for electric light motorcycle, which could be 72V 100KPH.
We provide 428 14T Sprocket as default
if you need match with other sprocket, please contact seller.
Key Features
1) Light weight and small dimension compare to hub motor
2) High performance benefit from flux weakening
3) High effeciency during climbing, and better acceleration
4) Support regenerative braking
One set including below kits
1.1pc X QS 138 3kW V1 Mid drive motor with sprocket design (14T sprocket as default)
2.1pcs X EM150sp controller
3.1pcs X Z6 throttle
4.1pcs X DKD speedometer
5.1pcs X 72V to 12V 15A DC-DC Converter
Product description
1.138 3000w v1 mid drive motor
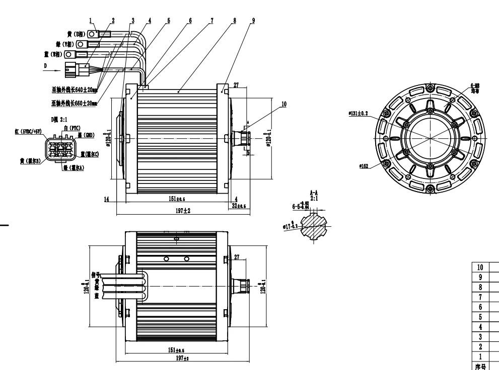
Dimension Drawing:
QS 3kW 138 mid drive motor
Power train test Report for your reference:
2.Votol EM150SP motor controller with standards CANBUS
3. DKD LCD speedometer with standard CAN-BUS
It display D N R, P, S gear, and battery current X5/10
P.s.: If the working battery doesn't have can-bus communication, then the can-bus speedometer will shows lack of electricicy always.
So, we suggest to do the speedometer as Line communication version if client can't get can-bus battery.
Please kindly contact saler for tire model and reduction ratio, if your tire size isn't 12inch, or leave a note with order together, it is very important for us.Thank you.
4. Z6 throttle with combination switch
With Reverse, Parking button( throttle on/off), 3 slide switch gear, s/boost button, Light and Horn.
It match with VOTOL controller well.
4.72V to 12V 15A DC-DC Converter
Please noted:
Optional appearance, drawing, performance curve/test report are available.
If you need more technical information, please feel free to contact us.
We will give you reply in 12hours.





New products from manufacturers at wholesale prices