SUN 6/8/10/12/15/20K SG01HP3 EU AM2 Three Phase 2 MPPT | Hybrid Inverter High Voltage Battery Inverter SUN 20K SG01HP3 EU AM2

Share on (1600840145579):


Price:

Quantity:


Product Overview

Description



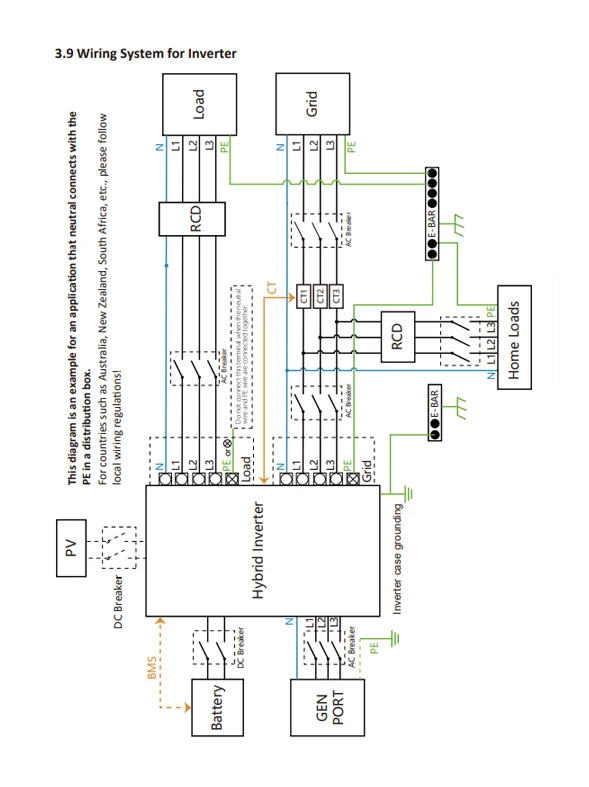
Product Description




Specification






SUN-6/8/10/12/15/20K-SG01HP3-EU-AM2 | 6-20KW | Three Phase | 2 MPPT | Hybrid Inverter | High Voltage Battery
Model
SUN-6K-SG01HP3-EU-AM2
SUN-8K-SG01HP3-EU-AM2
SUN-10K-SG01HP3-EU-AM2
SUN-12K-SG01HP3-EU-AM2
SUN-15K-SG01HP3-EU-AM2
SUN-20K-SG01HP3-EU-AM2
Battery Input Data
Battery Type
Lead-acid or Lithium-ion
Battery Voltage Range (V)
150~800V
Max. Charging Current (A)
37
Max. Discharging Current (A)
37
Number of battery input
1
Charging Curve
3 Stages / Equalization
Charging Strategy for Li-Ion Battery
Self-adaption to BMS


PV String Input Data
Max. DC Input Power (W)
7800W
10400W
13000W
15600W
19500W
26000W
Max. DC Input Voltage (V)
1000
Start-up Voltage (V)
150V
MPPT Range (V)
200V-850V
Full Load DC Voltage Range (V)
195-850
260-850
325-850
340-850
423-850
500-850
PV Input Current (A)
20A+20A
26A+20A
26A+26A
Max. PV ISC (A)
23A+23A
32A+23A
32A+32A
Number of MPPT / Strings per MPPT
2/1
2/2+1
2/2


AC Output Data
Rated AC Output and UPS Power (W)
6000W
8000W
10000W
12000W
15000W
20000W
Max. AC Output Power (W)
6600W
8800W
11000W
13200W
16500W
22000W
Peak Power (off grid)
1.5 times of rated power, 10 S
AC Output Rated Current (A)
9.1
12.2
15.2
18.2
22.8
30.3
Max. AC Current (A)
13
18
22
25
30
35
Max. Continuous AC Passthrough (A)
80A
Output Frequency and Voltage
50/60Hz;3L/N/PE 220/380Vac,230/400Vac
Grid Type
Three Phase
DC injection current (mA)
<0.5%1n


General Data
Operating Temperature Range (℃)
-40~60℃, >45℃ Derating
Cooling
Smart cooling
Noise (dB)
<45 dB
Communication with BMS
RS485; CAN
Weight (kg)
26
Size (mm)
434W×645H×245D
Protection Degree
IP65
Installation Style
Wall-mounted
Warranty
5 years







Product Features:


Safe & Reliable

●Built-in isolation transformer for high load adaptability,
●Perfect protection function for inverter and battery,
Redundancy design for important functions;

Abundant Configuration
●Integrated design, easy to integrate;
●Support simultaneous access of load,battery,power grid,
diesel and PV;
●Built-in maintenance bypass switch, improve system
availability,

Intelligent & Efficient
●Support battery capacity and discharge time prediction;
●Smooth switching between on and off grid, uninterrupted
supply of load,
Operate with EMS to monitor system status in real time;

Friendly & Flexible
Various working modes can be set flexibly,
PV controller modular design, easy to expand;



















Packing & Delivery




Company Profile










ABOUT ESSOLX



ESS: ENERGY STORAGE SYSTEM
SOL: SOLAR/SUN
X: EXPERT/SPECIALIST

Essolx: Energy Storage Specialist!


Essolx is an international,comprehensive growing company committed to provide Energy Storage Solar System,Solar Panels,Lithium Ion Batteries and solar parts globally.
Essolx was founded in 2015,aiming at becoming Pioneer Energy Sustainable Solution Supplier,
Essolx Solar has adopted international advanced production equipments and dedicated to provide high performance solar panel system with competitive cost.
Essolx, your energy storage specialist, looking forward to work with your company!













0.0221 s.