PY3 FS 50 Automatic Reset Mini Linear Potentiometer Sensor Electronic Ruler Miniature Spring Displacement Transducer

Share on (1600848452828):


Price:$90.00 - $98.00

Quantity:


Product Overview

Description



Product Description


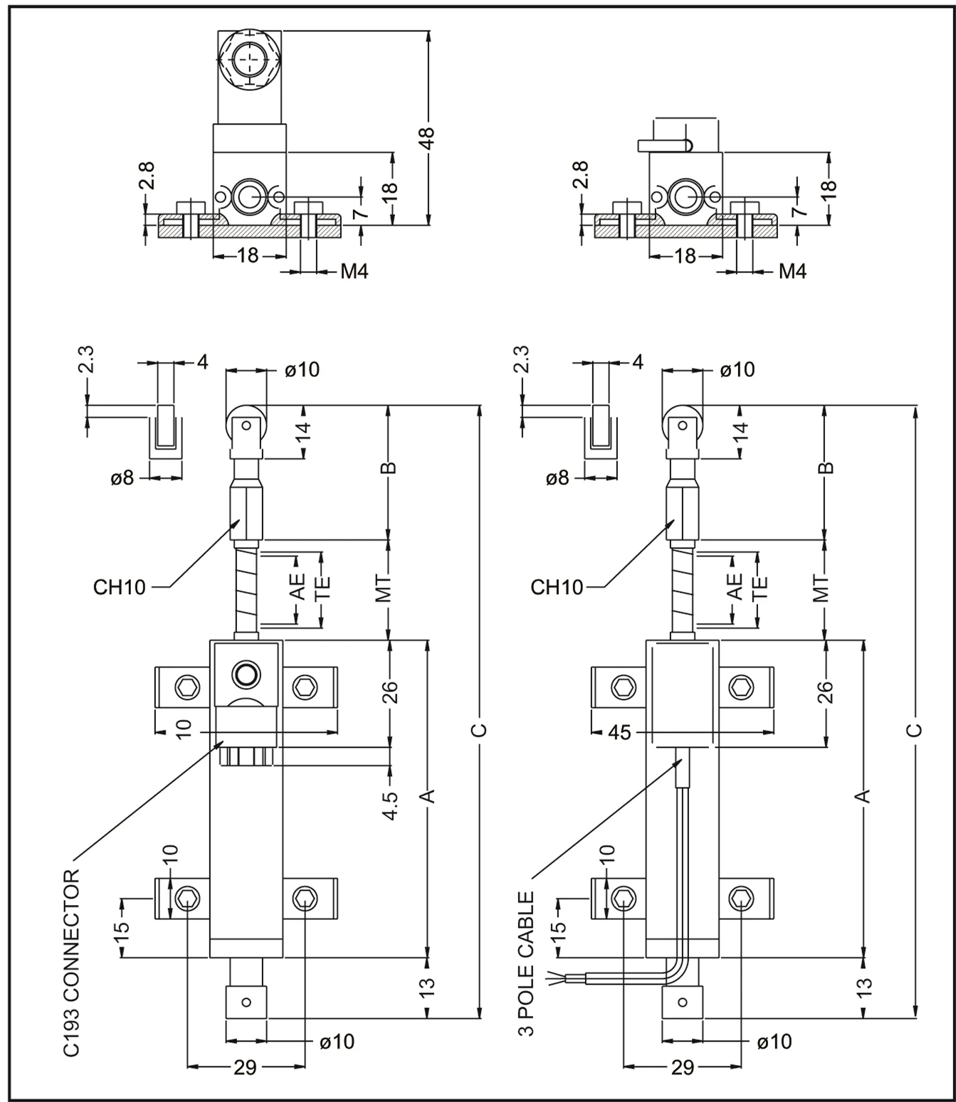
This mini position transducer is designed for direct absolute measurement and available in stroke length up to 50mm. The mini
design is suitable for mounting in instruments or machines with limited space and specially design for moving
stock application.
An improved technique for making connection to resistance track (Double Trimming Technique) ensures the higher degrees of
reliability and linearity, while multi-fingers wipers stabilize output signals, even in the most adverse working
conditions.
The fixing feet are adjustable to the desired
position.
The bearing roller is suitable for measurement of
moving pile stock thickness along moving direction.


Characteristic parameter
Unique Features
. Harden steel bearing roller head for measurement
of moving pile stock thickness
. Mini design for limited space
. Anodised Aluminium Housing
. Double slide and bearing
. Very Long Life
>100 X 10⁶ Cycles
>25x 10⁶ m
. Stroke: 10-450mm
. Outstanding Linearity up to:±0.1%
. High Resolution: Infinite
. Excellent Repeatability:±0.01mm
. Max operating speed: 5m/s max.
. PY3C -4 pin C193 connector
. PY3FS - standard 1m cable
. Sealing IP 40 standard (IP 65 optional)
. Fuse Protected Optional


Technical Specifications
Sealing - PY3C/PY3FS:IP40
Sealing - optional:IP65
Current
Resistance:≦10mA
Wiper:≦1mA
Operating Force
≦1.2N (IP40)
≦5N (IP65)
Power Consumption:3W-10W
Output Smoothness:<±0.1% against input vltage
Input Voltage:60 V Max
Insulation Voltage:500V-1 min Residue<5 μA
Vibration:IEC 68-2-6:1982 10g
Shock:IEC 68-2-29:1968 40g














Specification


item
value
Model Number
PY3-FS-50
Type
Linear Displacement Sensor
Place of Origin
China
Beijing
Brand Name
SENRUIKE
Usage
industry
Output
5KΩ
Description
Miniature Linear Displacement Sensor
Name
Miniature Linear rebound displacement sensor Electronic Ruler


Company Profile




Beijing Shengruike Automation Equipment Co., Ltd. is located in Beijing, China and is specialized in manufacturing Temperature Sensors, Thermocouples, Pt100 Platinum Resistance Thermometer Sensors, Pressure Sensors, Flow Meters, Level Gauges, Load Cells and Displacement Transducers.

With an experienced and professional team, we have exported our products to many countries and regions all over the world. Our products enjoy good popularity among our customers.

We welcome customers, business associations and friends from all parts of the world to contact us and seek cooperation for mutual benefits.


FAQ


1. who are we?
We are based in Beijing, China, start from 2011,sell to North America(30.00%),Western Europe(10.00%),Eastern Asia(10.00%),Domestic Market(10.00%),Southeast Asia(10.00%),South Asia(5.00%),South America(5.00%),Southern Europe(5.00%),Northern Europe(5.00%),Eastern Europe(5.00%),Oceania(3.00%),Mid East(2.00%). There are total about 5-10 people in our office.

2. how can we guarantee quality?
Always a pre-production sample before mass production;
Always final Inspection before shipment;

3.what can you buy from us?
Thermocouple Thermal Resistance, Bimetal Thermometer, Capillary Thermometer, Paperless Recorder, Pressure Gauge Transmitter, Bimetal Thermometer/Pressure Gage/RTD/Thermocouple

4. why should you buy from us not from other suppliers?
Beijing ShengRuiKE own an experienced and professional team, we have exported our products to many countries and regions all over the world. Our products enjoy good popularity among our customers.

5. what services can we provide?
Accepted Delivery Terms: FOB,CFR,CIF,EXW,FAS,CIP,FCA,CPT,DEQ,DDP,DDU,Express Delivery,DAF,DES;
Accepted Payment Currency:USD,EUR,JPY,CAD,AUD,HKD,GBP,CNY,CHF;
Accepted Payment Type: T/T,L/C,D/P D/A,MoneyGram,Credit Card,PayPal,Western Union,Cash,Escrow;
Language Spoken:English,Chinese,Spanish,Japanese,Portuguese,German,Arabic,French,Russian,Korean,Hindi,Italian


0.2019 s.