Share on (1600849313631):
FZT-1T amorphous iron core lacing table machine

1, Main function instruction
FZT-3T transformer body assembly table is a special equipment for the body assembly of amorphous alloy iron core transformers (referred to as amorphous transformers), which can meet the requirements of oil immersion and dry amorphous transformer assembly of various specifications. It changes the traditional distribution and transformer body suiting process, and pre-places the winding on the lifting platform of the assembly table, the axis of the winding is horizontal, and each single-frame iron core penetrates the inner hole of the winding horizontally. And complete the iron core closing, wrapping and sealing, body insulation assembly, clamp fastening and other processes on the assembly table. During the process, the assembly table can easily adjust the position and height to meet the assembly requirements of different working steps.
The main movement mechanism of this machine adopts hydraulic system, which has the characteristics of stable lifting, easy adjustment and abundant power.
2, Main characteristics parameters and details
No. | Name | Standard and parameters |
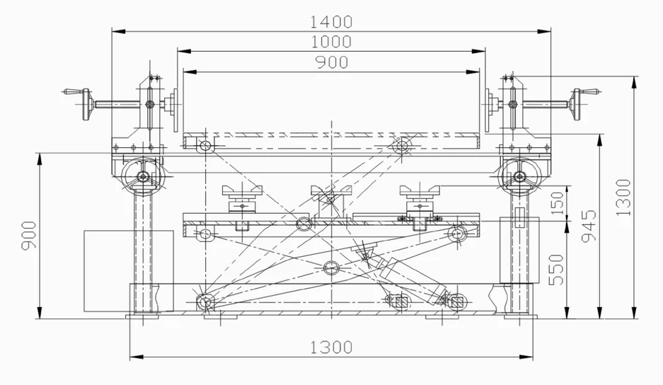
1 | Working height (worktable surface) | H = 900mm |
2 | Parameters for transformer body assembly range. (3 phase transformer coil outline size). Suitable for Oil transformer amorphous alloy transformer capacity 30kVA - 315kVA. | Length: L = 500 – 900mm Width: B = 130 – 300mm Height: H = 200 – 500mm |
3 | Lifting table loading weight (rated) | W = 1000 kg |
4 | Lifting table working stroke | S = 400 mm |
5 | Lifting speed | V = 40 mm/s (adjustable) |
6 | Hydraulic working pressure (rated) | P = 14 MPa |
7 | Flipping angle | 0-90° |
8 | Flipping speed | 90°/40S |
9 | Voltage | AC 380V 50HZ 3phase 5 wires (can be customized.) |
10 | Whole machine power | 1.5 kW |
11 | Whole machine weight | W = 1200 kg |
12 | Machine colour | Hammer green |
The attached drawing is a schematic diagram of the assembly table.


3, Main structure
3-1, The lifting mechanism of this assembly table adopts the hydraulic system including; oil pump, motor, various valve parts, etc., all use Taiwan original parts, and the combination of modules ensures the high reliability, low noise and no leakage of the system. The rated system working pressure is 14 MPa. All are connected by high-pressure hose, which is safe and convenient.
3-2, Set up a large-scale lifting platform (1350 × 800 mm) to meet the needs of various supporting mechanisms,
Space required for movements such as slide units. At the same time, there is enough margin to facilitate the support operation.
3-3, The movement of the left and right sliding bearing table adopts pulley transmission mode, which has strong bearing capacity, easy operation and accurate positioning. The loading table can be adjusted up and down, and the adjustment range is 50 mm, which can meet the requirements of use. The fine-tuning mechanism is provided with a flat bearing to reduce the operating intensity of the adjustment under heavy load.
3-4, The front fixed platform is provided with a screw pair transmission mechanism, and the fixed platform is operated by shaking the handwheel to advance and retreat. After the platform enters the working position, the platform can be locked by pulling the handle.
3-5, The upper left and right sides of the assembly table are provided with pressing mechanisms to help positioning, which are used to press the windings and iron cores on both sides of the body in the length direction, and have the function of safety and insurance. Adopting screw pair transmission structure, the effective stroke of a single pressing mechanism is 500 mm.
4, Delivery details
Assembly worktable 1 set. (including control device).
Independent hydraulic lift trolley 1 set.
Document:
No. | Name | Quantity |
1 | Packing list | 1 pc |
2 | Quality certificate | 1 pc |
3 | Operation manual | 1 pc |
4 | Installation floor plan | 1 pc |
5, After sales service
5-1. At the request of users, we will guide installation and debugging for free, and send engineering and technical personnel to provide users with free training management, repair personnel, and technical services.
5-2. During the installation of the equipment, according to the needs of the buyer, the supplier should send engineering and technical personnel to provide on-site service to deal with technical problems that occur on site and assist the buyer to control the installation quality.
5-3. Our company will ensure that the first overhaul period of the product exceeds 7000 hours. Within 12 months of the warranty period, if the machine fails or cannot work normally due to the quality of the product, our company will respond within 24 hours after receiving the notice, repair it free of charge, and replace the spare parts.
5-4. Establish quality assurance hotline contact with users, establish service files, visit users regularly, and implement product tracking services.
New products from manufacturers at wholesale prices