Share on (1600880915929):







Item | Technical Index | Specification |
Input | Input voltage | 1AC/3AC 220V±15%, 3AC 380V±15%, 3AC 660V±15% |
Input frequency | 47~63Hz | |
Output | Output voltage | 0~rated input voltage |
Output frequency | V/f control: 0~3000Hz Sensorless vector control: 0~300Hz | |
Control Features | Control mode | V/f control Sensorless vector control Torque control |
Operation command mode | Keypad control Terminal control Serial communication control | |
Frequency setting mode | Digital setting, analog setting, pulse frequency setting, serial communication setting, multi-step speed setting & simple PLC, PID setting, etc. These frequency settings can be combined & switched in various modes. | |
Overload capacity | G model: 150% 60s, 180% 10s, 200% 3s P model: 120% 60s, 150% 10s, 180% 3s | |
Starting torque | 0.5Hz/150% (SVC); 1Hz/150% (V/f) | |
Speed adjustment range | 1:100 (SVC), 1:50 (V/f) | |
Speed control precision | ±0.5% (SVC) | |
Carrier frequency | 1.0--16.0kHz, automatically adjusted according to temperature and load characteristics | |
Frequency accuracy | Digital setting: 0.01Hz Analog setting: maximum frequency * 0.05% | |
Torque boost | Automatically torque boost; manually torque boost: 0.1%~30.0% | |
V/f curve | Three types: linear, multiple point and square type (1.2 power, 1.4 power, 1.6 power, 1.8 power, square) | |
Acceleration/deceleration mode | Straight line/S curve; four kinds of acceleration/deceleration time, range: 0.1s~3600.0s | |
DC braking | DC braking when starting and stopping DC braking frequency: 0.0Hz~maximum frequency, braking time: 0.0s~100.0s | |
Jog operation | Jog operation frequency: 0.0Hz~maximum frequency Jog acceleration/deceleration time: 0.1s~3600.0s | |
Simple PLC & multi-step speed operation | It can realize a maximum of 16 segments speed running via the built-in PLC or control terminal. | |
Built-in PID | Built-in PID control to easily realize the close loop control of the process parameters (such as pressure, temperature, flow, etc.) | |
Automatic voltage regulation | Keep output voltage constant automatically when input voltage fluctuating | |
Control Function | Common DC bus | Common DC bus for several inverters, energy balanced automatically |
Torque control | Torque control without PG | |
Torque limit | “Rooter” characteristics, limit the torque automatically and prevent frequent over-current tripping during the running process | |
Wobble frequency control | Multiple triangular-wave frequency control, special for textile | |
Timing/length/counting control | Timing/length/counting control function | |
Over-voltage & over-current stall control | Limit current & voltage automatically during the running process, prevent frequent over-current & over-voltage tripping | |
Fault protection function | Up to 30 fault protections including over-current, over-voltage, under-voltage, overheating, default phase, overload, shortcut, etc., can record the detailed running status during failure & has fault automatic reset function | |
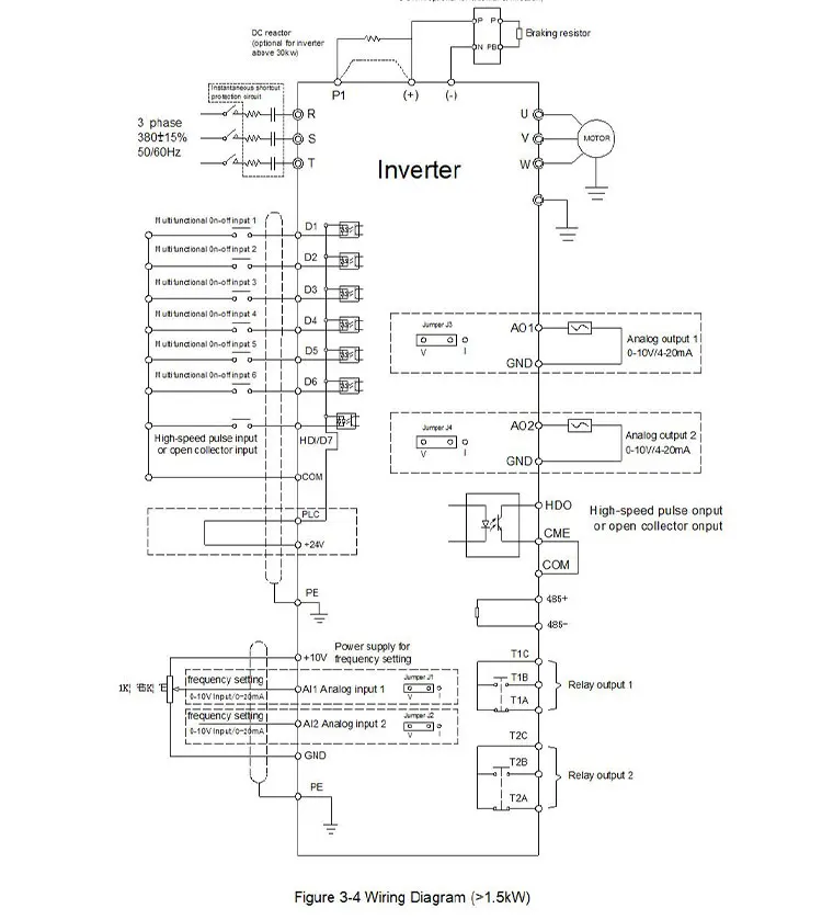
Input/output terminals | Input terminals | Programmable DI: 7 on-off inputs, 1 high-speed pulse input 2 programmable AI: AI1: 0~10V or 0/4~20mA A12: 0~10V or 0/4~20mA |
Output terminals | 1 programmable open collector output: 1 analog output (open collector output or high-speed pulse output) 2 relay output 2 analog output: 0/4~20mA or 0~10V | |
Communication terminals | Offer RS485 communication interface, support MODBUS-RTU communication protocol | |
Human machine interface | LED display | Display frequency setting, output frequency, output voltage, output current, etc. |
Multifunction key | QUICK/JOG key, can be used as multifunction key | |
Environ-ment | Ambient temperature | -10℃~40℃, derated 4% when the temperature rise by every 1℃ (40℃~50℃). |
Humidity | 90%RH or less (non-condensing) | |
Altitude | ≤1000M: output rated power, >1000M: output derated | |
Storage temperature | -20℃~60℃ |









New products from manufacturers at wholesale prices