Share on (1600892286264):
principle
The principle of operation of the folding devices is based on the transformation of the rotational movement of the drive shaft into a linear movement of the folding carriage on a smooth shaft in two directions using the interaction of friction forces between the drive shaft and the collars of the ball bearing mechanism for switching the stroke of the folding carriage.
By changing the angle of the on-clone of ball-clip holders, the speed of movement of the folding carriage on the smooth shaft is regulated.






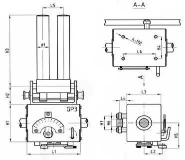
Model | H1 | H4 | H6 | H7 | L1 | L3 | L5 | L6 | Md |
GP3-15 | 66 | 32 | 16 | 38 | 92 | 52 | - | 40 | 4-M6 |
GP3-20 | 85 | 40 | 18 | 40 | 111 | 68 | 30-60 | 70 | 4-M6 |
GP3-22 | 85 | 40 | 18 | 40 | 111 | 68 | 30-60 | 60 | 4-M6 |
GP3-30 | 105 | 60 | 20 | 42 | 135 | 85 | 30-60 | 70 | 4-M6 |
GP3-40 | 120 | 72 | 28 | 46 | 165 | 105 | 30-70 | 72 | 4-M8 |
GP3-50 | 160 | 104 | 36 | 70 | 220 | 132 | 40-95 | 90 | 4-M8 |
GP3-60 | 182 | 110 | 36 | 70 | 240 | 150 | 40-120 | 104 | 4-M8 |



Technical characteristics of the rolling ring drive series GP3 | ||||||||
Model | Shaft diameter(mm) | Max pitch(mm) | Max thrust(N) | Max weight(kg) | ||||
GP3-15 | 15 | 11 | 110 | 11 | ||||
GP3-20/22 | 20 | 16 | 160 | 16 | ||||
GP3-30/25 | 30 | 25 | 260 | 26 | ||||
GP3-40 | 40 | 32 | 420 | 42 | ||||
GP3-50 | 50 | 40 | 700 | 70 | ||||
GP3-60 | 60 | 48 | 1000 | 100 | ||||

Q1: Are you a factory or trading company?
We are a factory . We can promise you a short lead time and best price if you purchase our machine. We also have our own trading department.
Q2: How does the factory ensure products quality?
With Nearly 16 years experience in manufacturing winding machine, we have our own technology develop department and testing department.
Quality is the first priority. We have strict purchasing system to ensure the quality of spare parts. We have experienced workers to assemble and test machine.
Q3:How about your after-sale service?
We have a professional technology supporting team for your timely services. You can get the help you need in time by telephone, webcam, online chat (Google talk, Facebook, Skype). Please contact us once the machine has any problem. Best service will be offered.
Q4: What are your payment terms?
100%TT or prepaid 50% , balance 50% before shipping.
Q5: How can I get my order? How can I know you sent the goods?
We will send the goods by UPS, DHL, FedEx or sea shipment. After we sent the goods, we will give you the tracking number or other relative files for checking.
Q6 : Will you send the installed machine or machine parts?
We will install the machine and test the machine before delivery. And the machine can be used directly after receiving the machine.
New products from manufacturers at wholesale prices