Share on (1600899133595):











Model | Range | ||||||
GPM | LPM | Nm3/h (Air) | Thread | Accuracy | |||
LZM-15J | 0.1-1 | 0.5-4 | 1-10 | Z1/2” Male | ±4% | ||
0.2-2 | 0.8-8 | 1.6-16 | G1/2” Male | ||||
0.5-5 | 2-18 | 4-40 | |||||
1-7 | 2-28 | ||||||
1.5-9 | 400-2000LPH | ||||||
LZM-20J | 2-10 | 8-40 | 2.5-25 | Z3/4” Male | |||
6-60 | G3/4” Male | ||||||
2-16 | 8-60 | 16-80 | |||||
2-20 | 8-80 | 16-160 | |||||
LZM-25J | 1.5-15 | 6-60 | 20-200 | Z1” Male | |||
3-13 | 10-50 | 25-250 | G1” Male | ||||
4-24 | 10-100 | ||||||
5-35 | 10-130 | ||||||
5-45 | 20-170 | ||||||

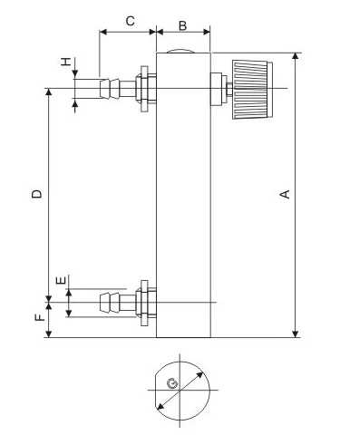
Model | Size(mm) | ||||||||||||||||
A | B | C | D | E | F | G | H | I | |||||||||
LZM-15J | 216 | 32 | 206 | 37 | 33 | 100 | 1/2” | 165 | 30 | ||||||||
LZM-20J | 233 | 39 | 220 | 44 | 49 | 100 | 3/4” | 165 | 32 | ||||||||
LZM-25J | 253 | 44 | 240 | 50 | 48 | 100 | 1” | 175 | 40 | ||||||||



New products from manufacturers at wholesale prices